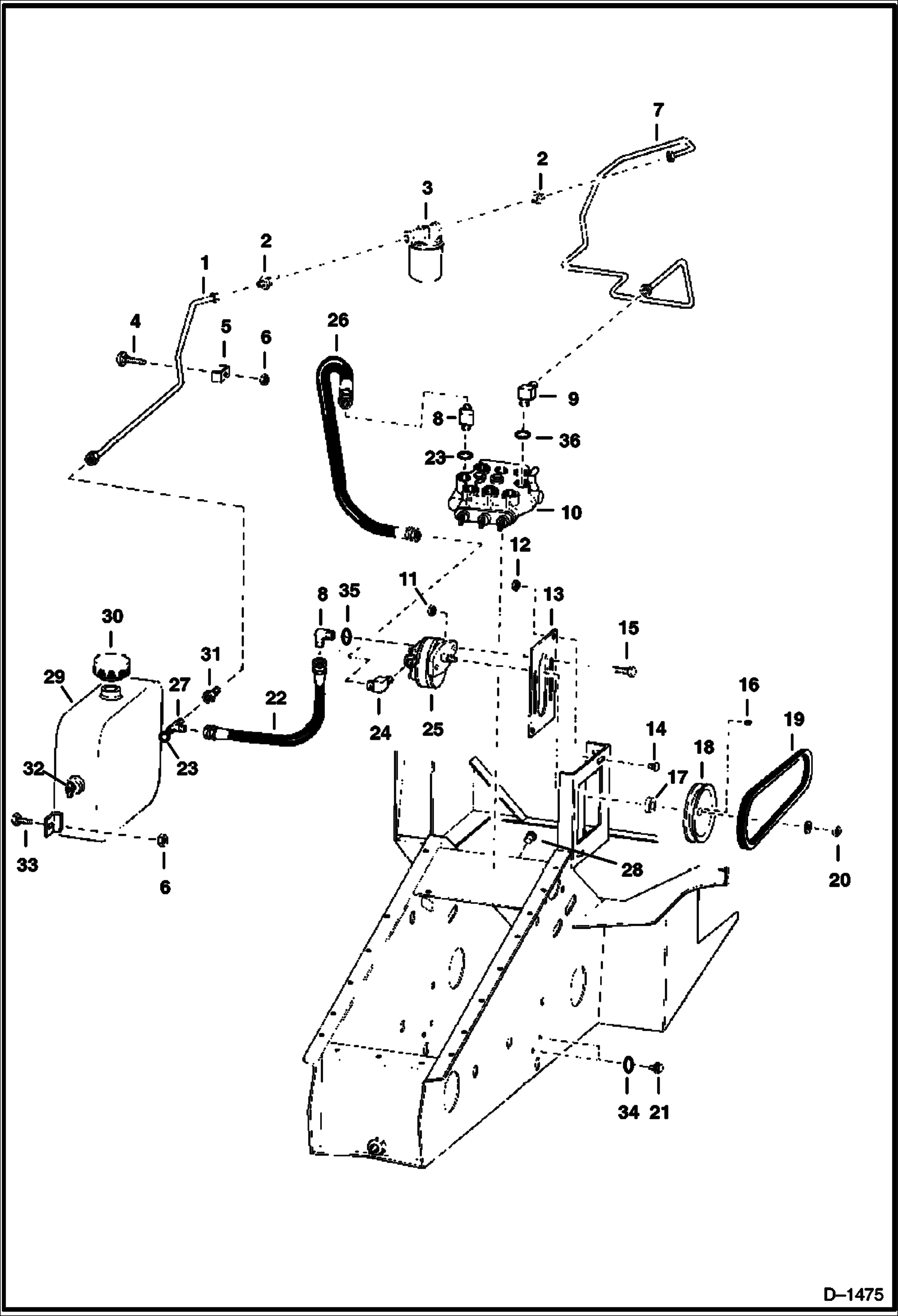
Запчасти Bobcat 300s HYDRAULIC CIRCUITRY HYDRAULIC SYSTEM

Схема запчастей Bobcat 300s - HYDRAULIC CIRCUITRY HYDRAULIC SYSTEM
FIT
1:1
100%

Артикул

Название

Примечание

Количество

1

TUBE NLA - Was 6560187 - A

2

730136

CONNECTR

3

FILTER See Illustration OIL FILTER/ B1304

4

6557432

BOLT

5

6502203

CLAMP tube

6

81D6

NUT

7

TUBE NLA - Was 6560206 - A

8

17K7

ELBOW W/Ref. 23

9

784568

ELBOW W/Ref. 36

10

6557603

VALVE hydraulic - W/O Relief

11

61D6

NUT 5

12

57D6

NUT 5

13

6555700

PLATE

14

37C616

BOLT Was 6514537 - A

15

6554745

BOLT

16

7J1008

KEY

17

6551997

SPACER

18

6555482

SHEAVE

19

6555504

BELT

20

6512958

NUT

21

84G3712

BOLT 5

22

HOSE NLA - Was 536785B - A

23

79K10

O RING 10

24

17KB0806

FITTING, HYD ELBOW W/Ref. 35 - Was 672942 - A

25

PUMP See Illustration HYDRAULIC PUMP/ C1250 See Illustration HYDRAULIC PUMP/ C1675 NLA - Was 6508434 - A

26

HOSE NLA - Was 6558188 - A

27

10K7

TEE W/Ref. 23

28

6558506

PLUG breather

29

6560184

RESERVOIR NLA - Was 6560184 - A

30

CAP NLA - Pack of 12 - Was 1779011 - A

30

6577785

CAP breather - Qty. of 1

31

784244

ADAPTOR

32

72F1

FITTING

33

84G3712

BOLT 5 Was 6559091 - A

34

6515468

WASHER sealing

35

79K6

O RING 10

36

79K8

O RING 10

Выбрано товаров: 37