Запчасти Bobcat 300s ALTERNATOR (Open - Delco 1102920) ELECTRICAL SYSTEM

Схема запчастей Bobcat 300s - ALTERNATOR (Open - Delco 1102920) ELECTRICAL SYSTEM
FIT
1:1
100%

Артикул

Название

Примечание

Количество

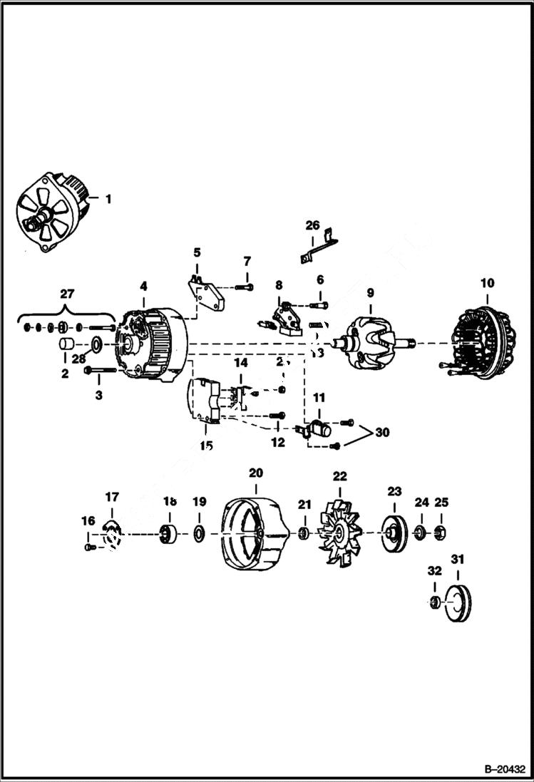
1

ALTERNATOR NLA - Order 908221B

2

BEARING NLA - Was 999306B - A

3

BOLT NLA - thru - Was 897467B - A

4

FRAME NLA - W/Ref. 2 - Was 999393B - A

5

REGULATOR NLA - voltage - Was 994381B - A

6

6511957

BOLT

7

BOLT NLA - Was 999396B - A

8

HOLDER NLA - brush assembly - Was 999394B - A

9

ROTOR NLA - Was 999305B - A

10

2343911

STATOR Was 999392B - A

11

CAPACITOR NLA - Was 999308B - A

12

994373

BOLT

13

BOLT NLA - Was 999397B - A

14

DIODE Was 994383B - A

15

RECTIFIER NLA - Was 995185B - A

16

45G1008

BOLT

17

RETAINER NLA - bearing - Was 897456B - A

18

991599

BEARING

19

SLINGER NLA

20

HOUSING NLA

21

COLLAR NLA - Was 897459B - A

22

329884

FAN alternator

23

PULLEY NLA - Order Ref. 31 & 32

24

WASHER NLA - Was 794584B - A

25

NUT NLA - Was 859369 - A

26

TERMINAL NLA - relay - Was 999395B - A

27

PACKAGE NSS - Terminal - Was 994372 - A

28

SEAL NLA - Was 991198B - A

29

12D8

NUT

30

BOLT NLA - Was 991219B - A

31

906104

PULLEY

32

906111

COLLAR

Выбрано товаров: 0