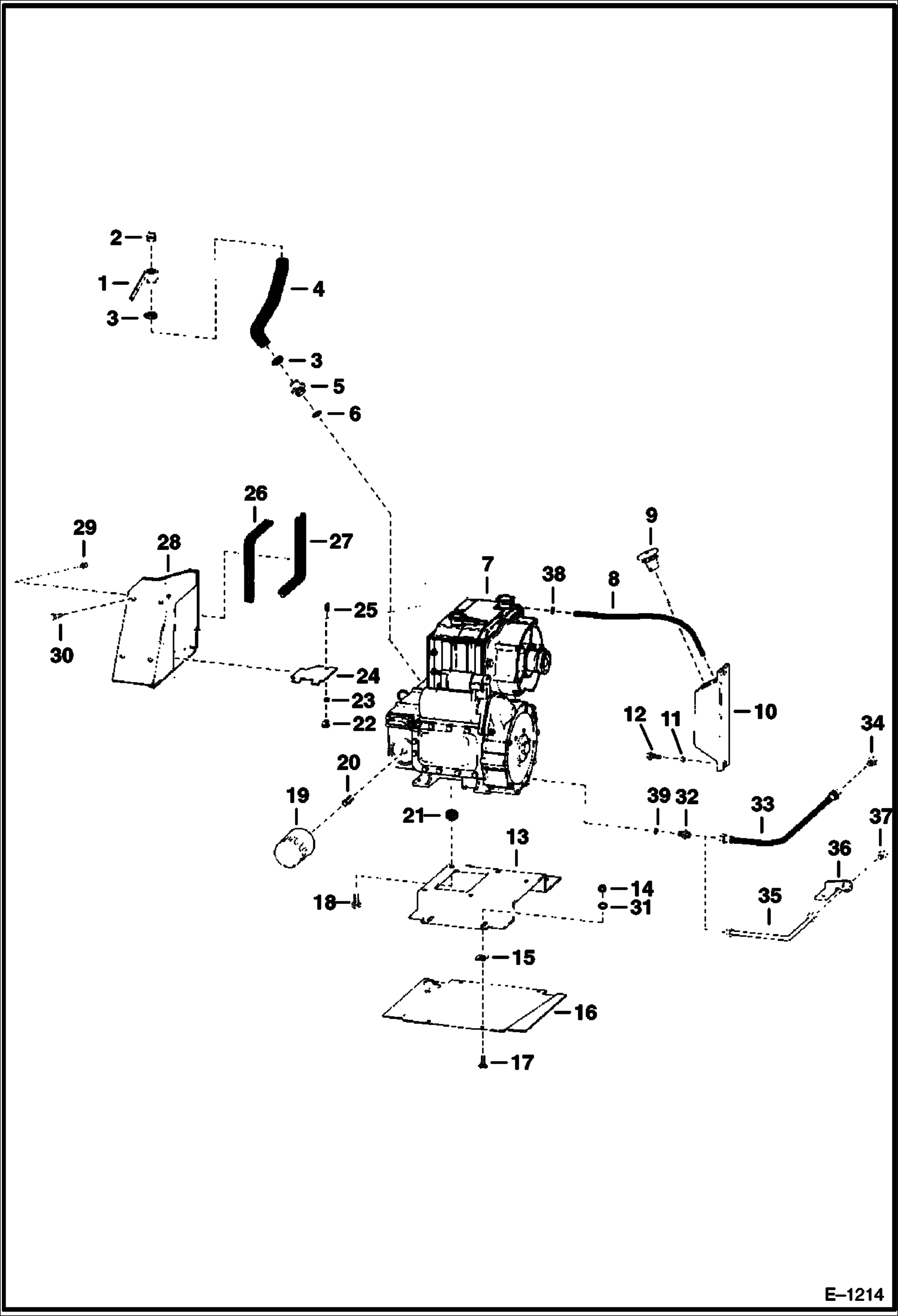
Запчасти Bobcat 300s ENGINE & ATTACHING PARTS POWER UNIT

Схема запчастей Bobcat 300s - ENGINE & ATTACHING PARTS POWER UNIT
FIT
1:1
100%

Артикул

Название

Примечание

Количество

1

NIPPLE NLA - Was 6558389 - A

2

6685924

CAP oil filler - Was 6652653 - A

3

42H32

HS CLAMP5 hose

4

HOSE NLA - Was 6558393

5

ADAPTER W/Ref. 6 NLA - Was 6558388 - A

6

79K16

O RING 10

7

ENGINE See Illustration ENGINE/ B20434 KUBOTA

8

6559801

HOSE

9

6702797

CAP Was 6558658 - A

10

6593012

TANK Was 6564706 - A

11

6560302

SPACER

12

84G3716

SCREW 5

13

MOUNT NLA - Was 6558403

14

57D6

NUT 5

15

6512909

CLIP spring - Use W/Carriage Bolt

16

PLATE NLA - Was 6558395

17

BOLT NLA - carriage - Was 6560034

17

17C620

BOLT Spot Welded

17

17C624

BOLT 5 Spot Welded

18

17C824

BOLT 5

19

3974113

FILTER, OIL ENG 12

20

6652597

ADAPTER Was 3974114B - A

21

57D8

NUT 10

22

1309130

CLAMP spring

23

6513488

RETAINER

24

COVER NLA - Was 6559084 - A

25

6513487

BOLT

26

6559086

SEAL

27

6559085

SEAL

28

HOUSING NLA - Was 6559083 - A

29

61D6

NUT 5

30

17C612

BOLT 5

31

WASHER NLA - Was 664962 - A

32

ADAPTER NLA - Was 6561212 - A

33

HOSE NLA - Was 6558188 - A

34

6519493

PLUG Was 891203B - A

35

TUBE NLA - Order Ref. 33 & 34

36

BRACKET NLA - Order Ref. 33 & 34

37

6518121

PLUG

38

42HS04

CLAMP, HOSE Was 6515575 - A

39

6698120

GASKET Was 3974403 - A

Выбрано товаров: 41