Качественные детали и логистика
Оригинальные и аналоговые запчасти с доставкой по России, Казахстану и Беларуси
©2022 PartSell ООО "Система" ИНН 2463123282 ОГРН 1212400004838
Центральный офис: г. Красноярск, Академика Киренского, д.87, пом.4
Телефон: 8 (800) 777-65-74 Email: zakaz@partsell.ru
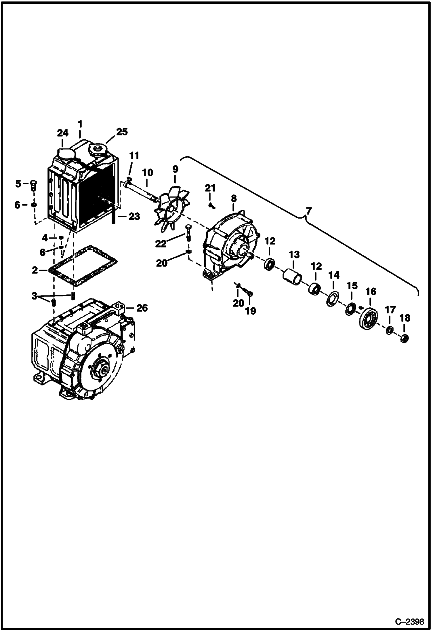
RADIATOR & BLOWER
№
Артикул
Название
Примечание
Количество
1
3974308
RADIATOR W/Ref. 23-25
2
3974288
GASKET
3
3974289
STUD
4
25DM6
NUT
5
1CM620
BOLT Was 4CM620 - A
6
6EM60
WASHER, SPRING
7
6513706
FAN ASSY. ref. 8-22
8
6513659
COVER fan
9
3974293
FAN
10
3974294
SHAFT
11
3974295
KEY
12
3974296
BEAR
13
3974297
COLLAR shaft
14
3974298
SEAL
15
3974299
PLATE retainer
16
PULLEY NLA - Was 3974301 - A
17
3974302
WASHER
18
NUT NLA - Was 3974303 - A
19
4CM828
BOLT
20
6EM80
21
6513708
SCREW
22
3974305
23
6559801
HOSE
24
3974310
CAP
25
3974311
26
3974304
BRACKET fan
Выбрано товаров: 0