Качественные детали и логистика
Оригинальные и аналоговые запчасти с доставкой по России, Казахстану и Беларуси
©2022 PartSell ООО "Система" ИНН 2463123282 ОГРН 1212400004838
Центральный офис: г. Красноярск, Академика Киренского, д.87, пом.4
Телефон: 8 (800) 777-65-74 Email: zakaz@partsell.ru
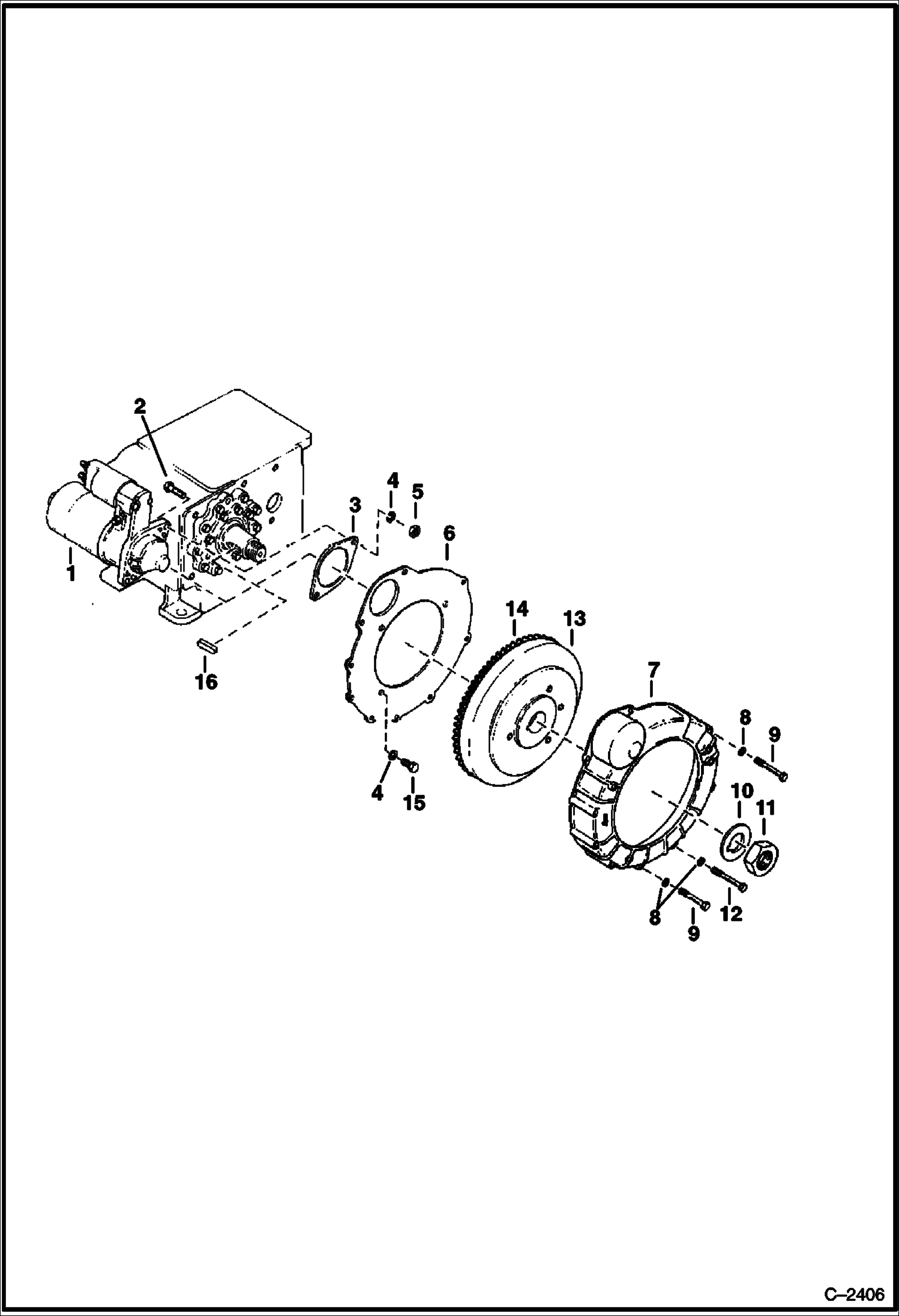
FLYWHEEL & STARTER
№
Артикул
Название
Примечание
Количество
1
3974246
STARTER See Illustration STARTER/ B13722 See Illustration STARTER/ C2394
2
1CM840
BOLT
3
3974247
SHIM
4
6EM80
WASHER, SPRING
5
1DM8
NUT Was 25DM00008B - A
6
3974242
PLATE
7
6513704
COVER
8
6EM60
9
3974244
10
WASHER NLA - Was 3974241 - A
11
5DM30
NUT
12
4CM660
13
3974236
FLYWHEEL W/Ring Gear
14
3974238
GEAR
15
1CM818
BOLT Was 4CM818 - A
16
3974239
KEY
Выбрано товаров: 0