Качественные детали и логистика
Оригинальные и аналоговые запчасти с доставкой по России, Казахстану и Беларуси
©2022 PartSell ООО "Система" ИНН 2463123282 ОГРН 1212400004838
Центральный офис: г. Красноярск, Академика Киренского, д.87, пом.4
Телефон: 8 (800) 777-65-74 Email: zakaz@partsell.ru
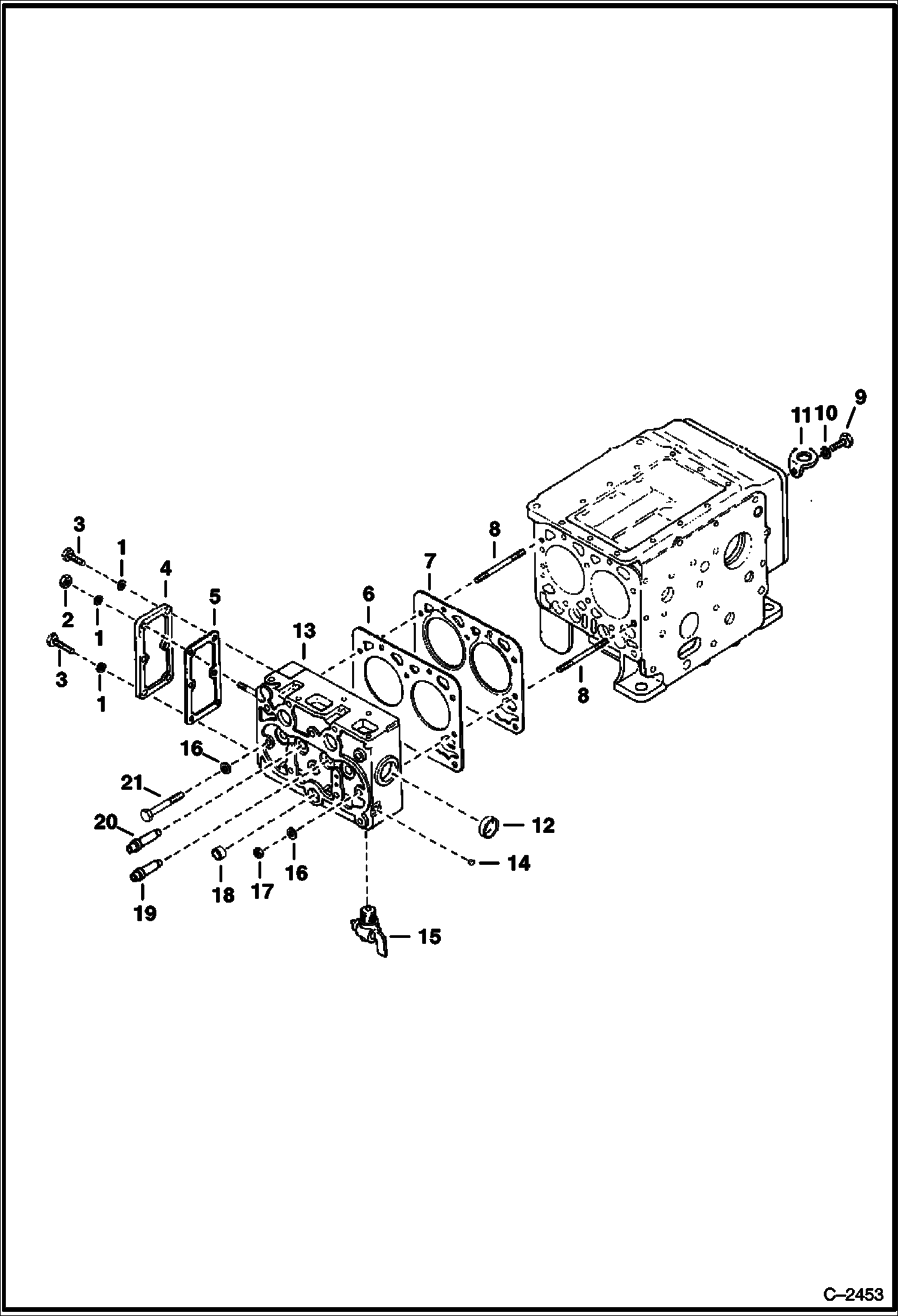
CYLINDER HEAD
№
Артикул
Название
Примечание
Количество
1
6EM60
WASHER, SPRING
2
25DM6
NUT
3
4CM618
BOLT
4
3974061
COVER
5
GASKET NLA - Was 3974062B - A
6
3974068
SHIM
7
6666809
GASKET Was 3974067B - A
8
6693351
STUD Was 6599079 - A
9
4CM828
10
6EM80
11
3974111
HOOK
12
3974033
CAP Was 3974057B - A
13
3974054
HEAD ASSY cylinder - W/Ref. 1, 3-5, 12, 14 & 18-21
14
3974058
PLUG
15
3974069
DRAIN
16
3974066
WASHER
17
6598507
NUT Do not use washer W/this nut
18
3974056
CAP
19
3974060
GUIDE exhaust valve
20
3974059
GUIDE intake valve
21
6652587
BOLT head - Do not use washer W/this bolt - Was 6598386 - A
Выбрано товаров: 0