Качественные детали и логистика
Оригинальные и аналоговые запчасти с доставкой по России, Казахстану и Беларуси
©2022 PartSell ООО "Система" ИНН 2463123282 ОГРН 1212400004838
Центральный офис: г. Красноярск, Академика Киренского, д.87, пом.4
Телефон: 8 (800) 777-65-74 Email: zakaz@partsell.ru
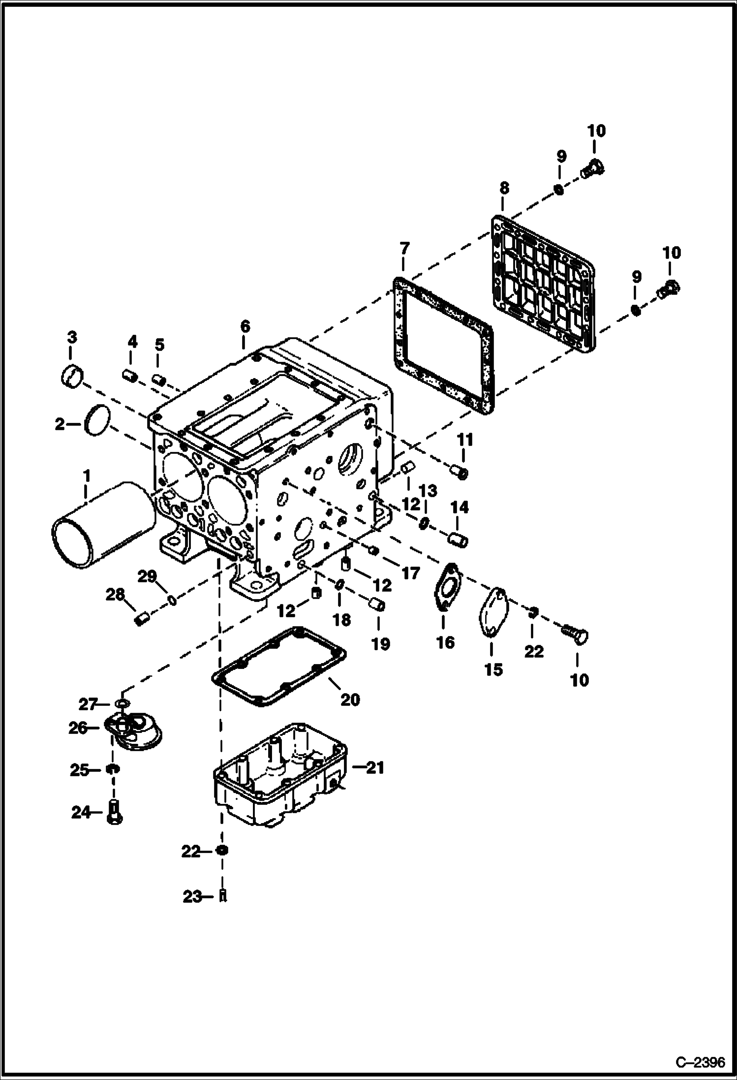
CRANKCASE
№
Артикул
Название
Примечание
Количество
1
3974047
LINER cylinder
2
4FM40
PLUG Was NSS - D
3
3974033
CAP
4
3974039
PIN
5
3974036
PLUG
6
3974028
CRANK CAM
7
6666822
GASKET Was 3974053B - A
8
3974052
COVER
9
6EM60
WASHER, SPRING
10
1CM620
BOLT Was 4CM620 - A
11
3974046
PIPE
12
3974035
13
3974041
O RING
14
PIN NLA - Was 3974040 - A
15
3974044
16
6666778
GASKET Was 3974045B - A
17
3974034
18
3974043
19
3974042
20
GASKET NLA - Was 6666818 - A
21
3974048
PAN oil
22
23
1CM655
SCREW
24
1CM818
BOLT Was 4CM818 - A
25
6EM80
26
3974025
ADAPTOR oil filter
27
3966512
28
3974037
29
3974038
Выбрано товаров: 0