Качественные детали и логистика
Оригинальные и аналоговые запчасти с доставкой по России, Казахстану и Беларуси
©2022 PartSell ООО "Система" ИНН 2463123282 ОГРН 1212400004838
Центральный офис: г. Красноярск, Академика Киренского, д.87, пом.4
Телефон: 8 (800) 777-65-74 Email: zakaz@partsell.ru
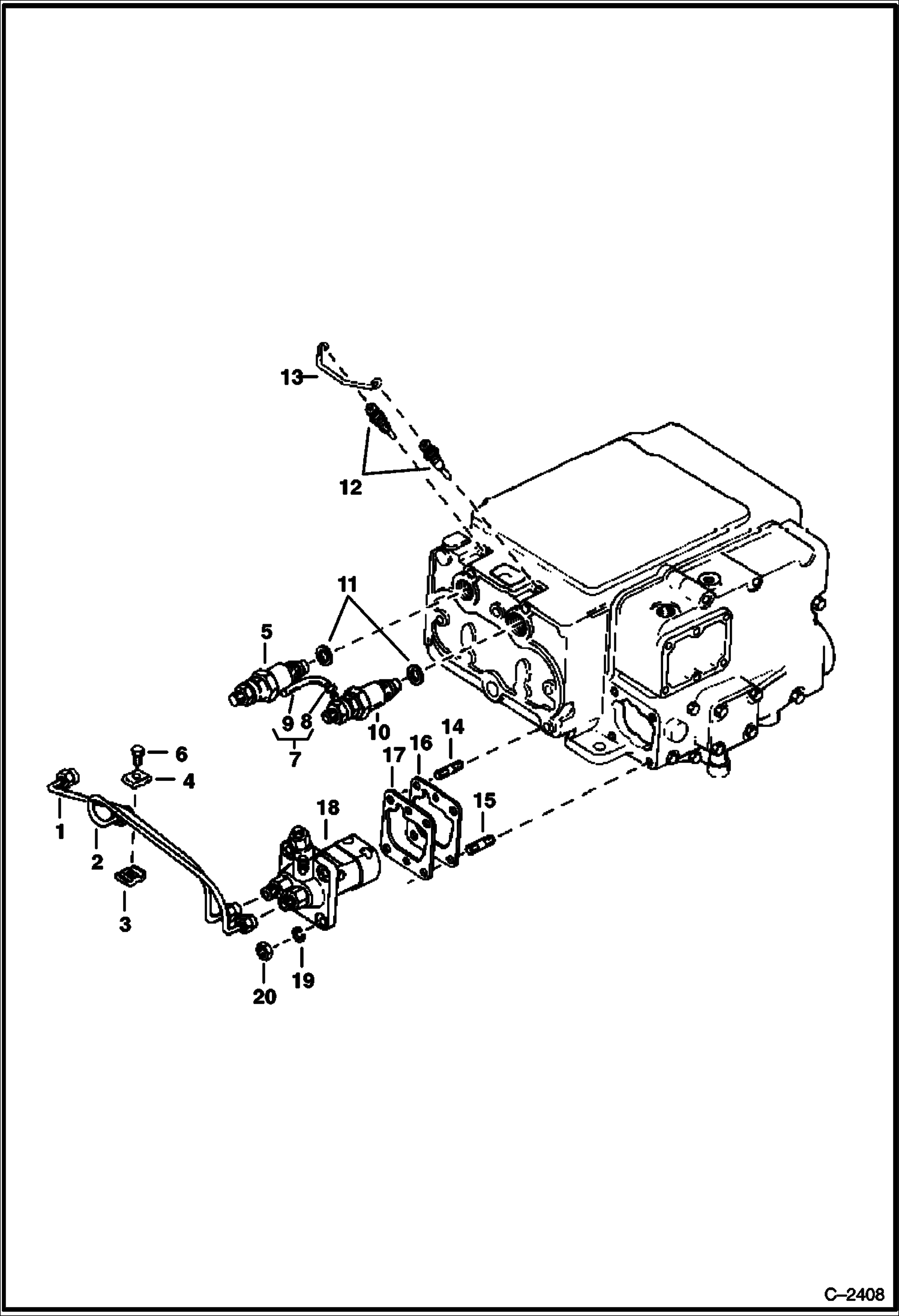
INJECTION PUMP
№
Артикул
Название
Примечание
Количество
1
3974257
PIPE
2
3974256
3
6652688
CLAMP Was 3974258B - A
4
6652689
CLAMP Was 3974259B - A
5
HOLDER See Illustration NOZZLE HOLDER/ B20436
6
3974260
SCREW W/Washer
7
TUBE NLA - overflow - Was 3974250B - A
8
6654718
CLAMP pipe - Was 6680795 - A
9
TUBE NSS - Was 3974251B - A
10
3974254
INJECTOR, FUEL ASSY See Illustration NOZZLE HOLDER/ B20436
11
3974255
WASHER
12
3974261
PLUG
13
6652742
WIRE Was 3974262B - A
14
3974627
STUD
15
3974267
16
3974792
SHIM
17
3974266
18
3974265
PUMP injection
19
6EM80
WASHER, SPRING
20
1DM8
NUT Was 25DM00008B - A
Выбрано товаров: 0