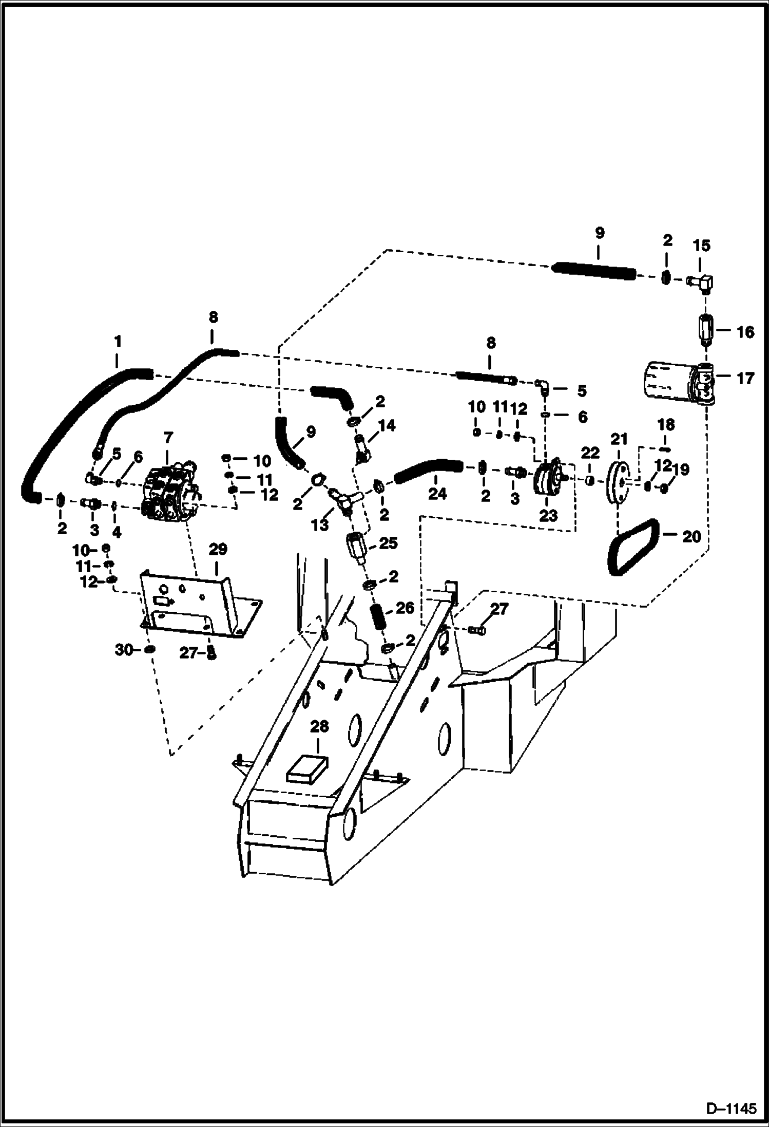
Запчасти Bobcat 300s MAIN FRAME HYDRAULIC SYSTEM - WITH HUSCO VALVE S/N 4953-B-1577 thru 4953-B-3130 and 4953-B-3141 thru 4953-B-3160 HYDRAULIC SYSTEM

Схема запчастей Bobcat 300s - MAIN FRAME HYDRAULIC SYSTEM - WITH HUSCO VALVE S/N 4953-B-1577 thru 4953-B-3130 and 4953-B-3141 thru 4953-B-3160 HYDRAULIC SYSTEM
FIT
1:1
100%

Артикул

Название

Примечание

Количество

1

6541687

HOSE

2

42H12

CLAMP 10

3

1316263

ADAPTER W/Ref. 4

4

79K10

O RING 10

5

17K5

ELBOW

6

79K6

O RING 10

7

VALVE See Illustration VALVE SECTION - INLET/ B1305 See Illustration VALVE SECTION - AUXILIARY CONTROL/ C1499 See Illustration VALVE SECTION - TILT CONTROL/ B1306 See Illustration VALVE SECTION - LIFT

8

6542521

HOSE

9

6544380

HOSE

10

61D6

NUT 5

11

4E6

WASHER

12

25E17

WASHER 5

13

6541691

FITTING

14

1301902

ELBOW

15

666844

ELBOW

16

6519709

CHECK VALVE

17

6541193

FILTER ASSY. See Illustration VALVE SECTION - OUTLET/ A1457

18

7J1008

KEY

19

82D6

NUT

20

6500959

BELT pump

21

6509176

SHEAVE pump

22

6551997

SPACER sheave

23

PUMP See Illustration HYDRAULIC PUMP/ C1250 HYD. - CESSNA NLA - Hyd. - Cessna - Was 6508434 - A

23

PUMP See Illustration HYDRAULIC PUMP/ C1250 NLA - HYD. - PARKER

24

6542057

HOSE suction

25

RELIEF VALVE See Illustration RELIEF VALVE/ B1502 NLA - Was 6544379 - A

26

6541686

HOSE return

27

17C620

BOLT

28

6541831

BAFFLE oil

29

PLATE NLA - Was 6509346 - A

30

6502353

SPACER

Выбрано товаров: 31