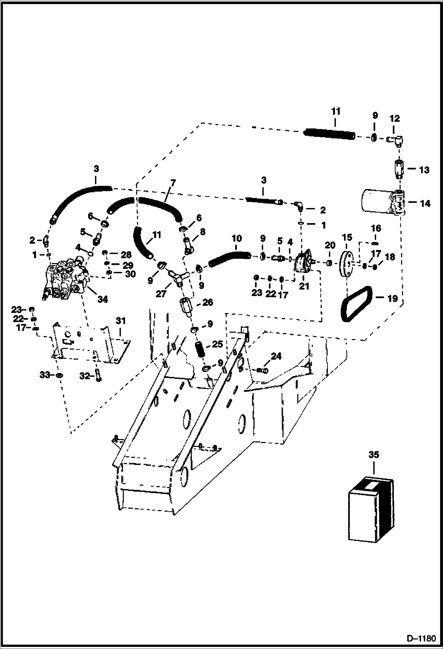
Запчасти Bobcat 300s MAIN FRAME HYDRAULIC SYSTEM S/N 313-B-3140 & 3161-5111-With Ward Valve HYDRAULIC SYSTEM

Схема запчастей Bobcat 300s - MAIN FRAME HYDRAULIC SYSTEM S/N 313-B-3140 & 3161-5111-With Ward Valve HYDRAULIC SYSTEM
FIT
1:1
100%

Артикул

Название

Примечание

Количество

1

79K6

O RING 10

2

17K5

ELBOW W/Ref. 1

3

6542521

HOSE

4

79K10

O RING 10

5

1316263

ADAPTER W/Ref. 4

6

6502203

CLAMP

7

6541687

HOSE

8

ELBOW NLA - Was 6510791 - A

9

42H12

CLAMP 10

10

6542057

HOSE Order 755622

11

6544380

HOSE

12

666844

ELBOW

13

6519709

CHECK VALVE

14

6541193

FILTER ASSY. See Illustration OIL FILTER/ B1304

15

6509176

SHEAVE pump

16

7J1008

KEY

17

25E17

WASHER 5

18

82D6

NUT

19

6500959

BELT pump

20

6551997

SPACER sheave

21

PUMP See Illustration HYDRAULIC PUMP/ C1675 NLA - HYD. - PARKER

21

PUMP See Illustration HYDRAULIC PUMP/ C1250 HYD. - CESSNA NLA - Hyd. - Cessna - Was 6508434 - A

22

4E6

WASHER

23

61D6

NUT 5

24

17C620

BOLT

25

6541686

HOSE

26

RELIEF VALVE See Illustration RELIEF VALVE/ B1502 NLA - Was 6544379 - A

27

6541691

FITTING

28

61D5

NUT

29

4E5

WASHER

30

25E15

WASHER

31

PLATE NLA - Was 6509346 - A

32

17C540

BOLT

33

6502353

SPACER

34

VALVE See Illustration VALVE SECTION - INLET/ B1648 NLA - CONTROL - WARD TWO SPOOL - Was 6512017 - A

34

VALVE See Illustration VALVE SECTION - INLET/ B1648 NLA - CONTROL - WARD THREE SPOOL - (WAS 6512016) - A

35

KIT NLA - conversion - Husco to Ward - Two Spool - Incl. Ref. 2, 18, 23-25 & 29-34 - Was 6547121 - A

35

KIT NLA - conversion - Husco to Ward - Three Spool - Incl. Ref. 2, 18, 23-25 & 29-34 - Was 6547122 - A

Выбрано товаров: 38