Качественные детали и логистика
Оригинальные и аналоговые запчасти с доставкой по России, Казахстану и Беларуси
©2022 PartSell ООО "Система" ИНН 2463123282 ОГРН 1212400004838
Центральный офис: г. Красноярск, Академика Киренского, д.87, пом.4
Телефон: 8 (800) 777-65-74 Email: zakaz@partsell.ru
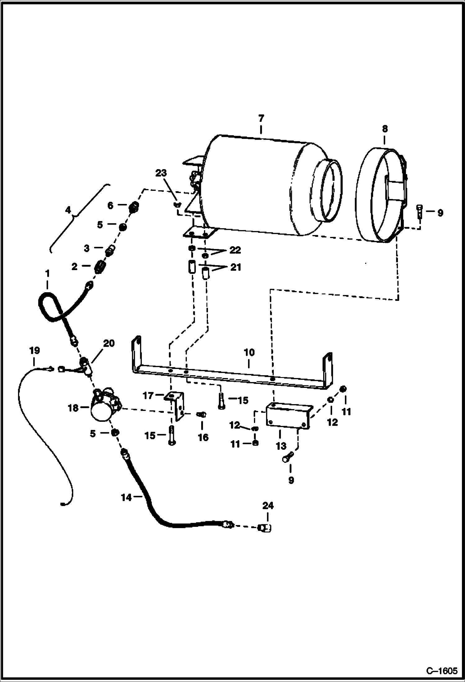
LP GAS TANK & ATTACHING PARTS
№
Артикул
Название
Примечание
Количество
1
1564096
HOSE
2
715976
COUPLER male half
3
715977
COUPLER female half
4
ADAPTER ASSY. NLA - Order Ref. 2 & 3 - Was 715975B - A
5
19F3
BUSHING
6
BUSHING NLA - Was 6519339 - A
7
6509601
TANK 20 lb. - Horizontal
8
6504954
CLAMP tank mounting
9
17C620
BOLT
10
6541988
BRACKET tank mounting
11
61D6
NUT 5
12
4E6
WASHER
13
6541989
ANGLE bracket mounting
14
6516340
15
17C532
BOLT 5
16
17C408
17
6542640
BRACKET regulator mounting
18
6519492
REGULATOR high pressure
19
6542617
WIRE
20
LOCK NLA - filter - W/Element - Was 6501945 - A
21
6542639
SPACER
22
61D5
NUT
23
WING NUT NLA - Was 4D000005B - A
24
618298
ELBOW
Выбрано товаров: 0