Запчасти Bobcat 300s AUXILIARY HYDRAULIC CIRCUITRY ACCESSORIES & OPTIONS

Схема запчастей Bobcat 300s - AUXILIARY HYDRAULIC CIRCUITRY ACCESSORIES & OPTIONS
FIT
1:1
100%

Артикул

Название

Примечание

Количество

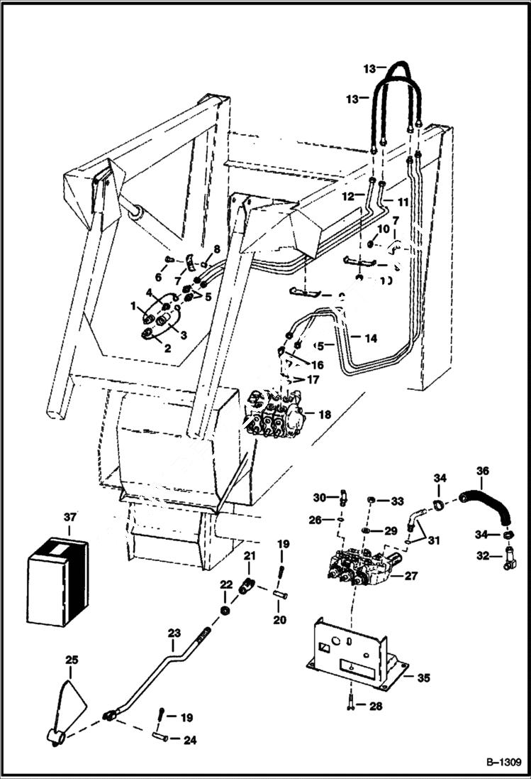
1

3679001

CAP coupler - Female - W/Chain

2

3679000

PLUG-DUST coupler - Male - W/Chain

3

6519317

QUICK COUPLER Female

3

58K116

O RING 10

4

6519318

QUICK COUPLER Male

5

712203

UNION straight

6

17C614

BOLT

7

6500989

CLAMP tube

8

6515275

NUTSERT

9

6502773

CLAMP tube - Four Tube

10

81D6

NUT

11

TUBE NLA - Was 6500586 - A

12

TUBE NLA - Was 6500595 - A

13

6540076

HOSE

14

TUBE NLA - Was 6505891 - A

15

TUBE NLA - Was 6505891 - A

16

17K5

ELBOW W/Ref. 17

17

79K6

O RING 10

18

SECTION See Illustration VALVE SECTION - AUXILIARY CONTROL/ C1499 NLA - AUX. - HUSCO - Was 6517502 - A

18

VALVE See Illustration VALVE SECTION - AUXILIARY CONTROL/ C1673 NLA - AUX. SECTION - WARD-WAS 6519474 - A

19

1F208

PIN

20

2F4051

PIN

21

6515635

YOKE

22

8D8

NUT

23

ROD NLA - Was 6508192 - A

24

6505103

PIN

25

PEDAL NLA - Was 6508136 - A

26

79K8

O RING 10

27

6510735

VALVE ASSY.

28

17C548

BOLT

29

25E15

WASHER

30

1300059

ELBOW W/Ref. 37

31

ELBOW NLA - Was 6510790 - A

32

ELBOW NLA - Was 6510791 - A

33

61D5

NUT

34

42H12

CLAMP 10

35

6547630

BRACKET

36

6547715

HOSE

37

KIT NLA - aux. hyd. - Husco Valve-Order Ref. 1-17, 19-36 - Was 6551658 - A

37

KIT NLA - aux. hyd. - Ward Valve-Order Ref. 1-25 - Was 6547124 - A

37

KIT NLA - aux. hyd. control - Cessna to Cessna - Order Ref. 1-17, 19-27 Was 6551656 - A

37

KIT NLA - aux. hyd. control-Husco or Ward 2 Spool to Cessna 3 Spool- Order Ref. 1-17, 19-36 - Was 6551658 - A

Выбрано товаров: 42