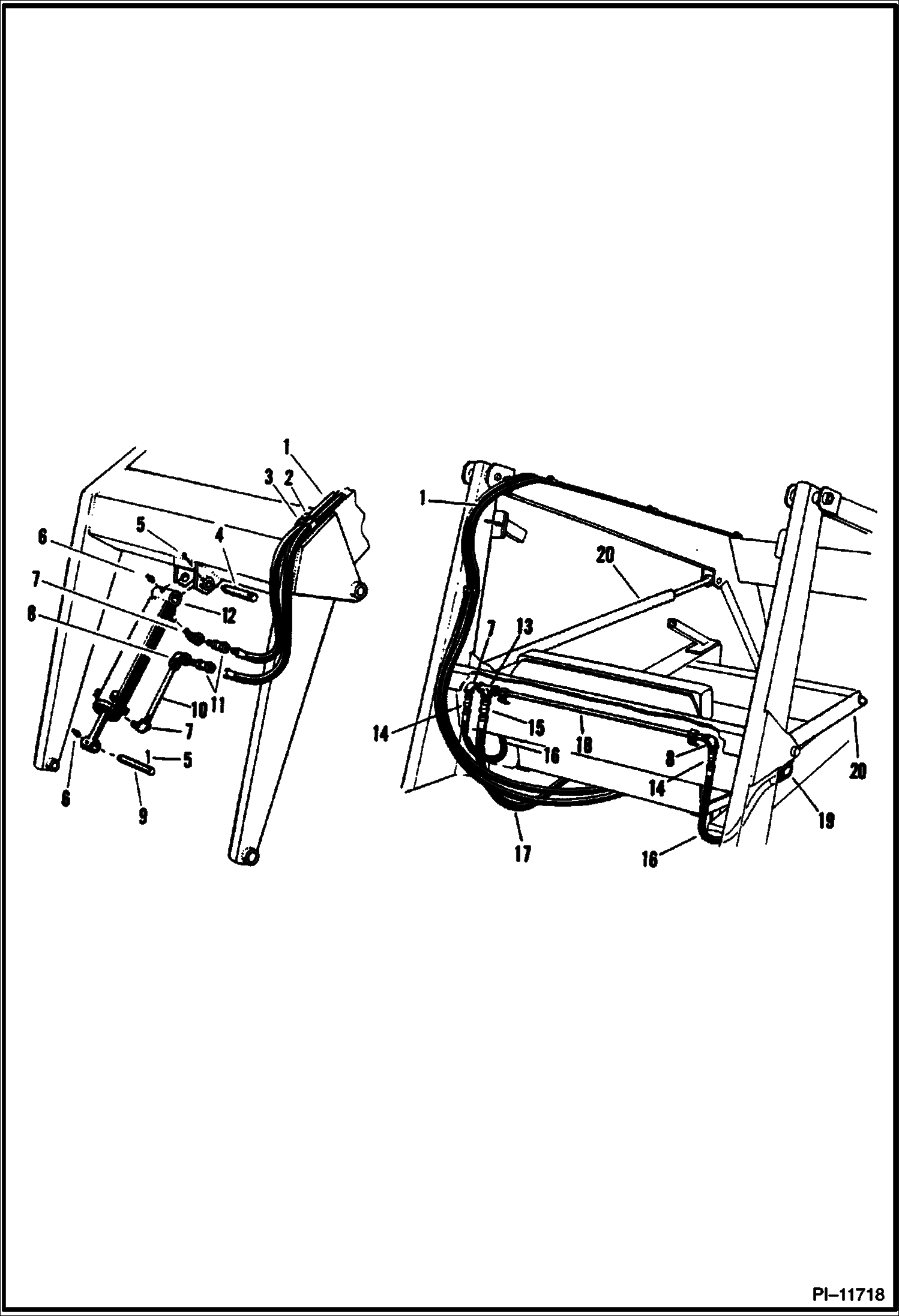
Запчасти Bobcat 400s LIFT ARMS HYDRAULIC CIRCUITRY HYDRAULIC SYSTEM

Схема запчастей Bobcat 400s - LIFT ARMS HYDRAULIC CIRCUITRY HYDRAULIC SYSTEM
FIT
1:1
100%

Артикул

Название

Примечание

Количество

1

6546035

HOSE hydraulic

2

17C416

BOLT

3

6502203

CLAMP hose

4

PIN NLA - hinge

5

1F628

PIN cotter

6

10H35

FITTING, GREASE 10 grease

7

26F2

ELBOW street

8

26K204

FITTING

9

6544978

PIN hinge

10

PIPE NLA - Was 5K-272 - A

11

COUPLERS NLA - 1/4''

12

CYLINDER See Illustration TILT CYLINDER/ PI11724 See Illustration TILT CYLINDER/ PI11728 TILT

13

TEE NLA - 1/4'' NPT x 3/8'' NPT

14

ADAPTER NLA

15

ADAPTER NLA

16

6544883

HOSE hydraulic

17

HOSE NLA - hydraulic

18

PIPE NLA

19

25F2

ELBOW street

20

CYLINDER See Illustration LIFT CYLINDER/ PI11721 See Illustration LIFT CYLINDER/ PI11722 LIFT

Выбрано товаров: 20