Запчасти Bobcat 400s MAIN FRAME MAIN FRAME

Схема запчастей Bobcat 400s - MAIN FRAME MAIN FRAME
FIT
1:1
100%

Артикул

Название

Примечание

Количество

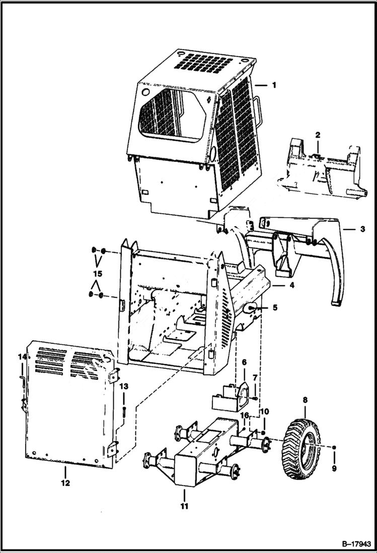
1

OPERATOR CAB See Illustration OPERATOR CAB/ B17944

2

BOB-TACH See Illustration BOB-TACH/ B17945

3

LIFT ARMS See Illustration LIFT ARMS & BOB-TACH/ C2954

4

6708125

MAIN FRAME Was 6594288 - A

5

37C820

BOLT Was 6560578 - A

6

6564185

COVER

7

84G3712

BOLT 5

8

TIRES & RIMS See Illustration TIRES & RIMS/ B17527

9

6561152

NUT wheel

10

83D8

NUT 5

11

CHAINCASE See BTI344 NLA - Was 6706429 - A

12

REAR DOOR See Illustration REAR DOOR/ C2802

13

6564340

PIN

14

6564192

PIN

15

6563829

BUSHING Weld On

16

6731121

PLUG Was 11F12 - A

Выбрано товаров: 16