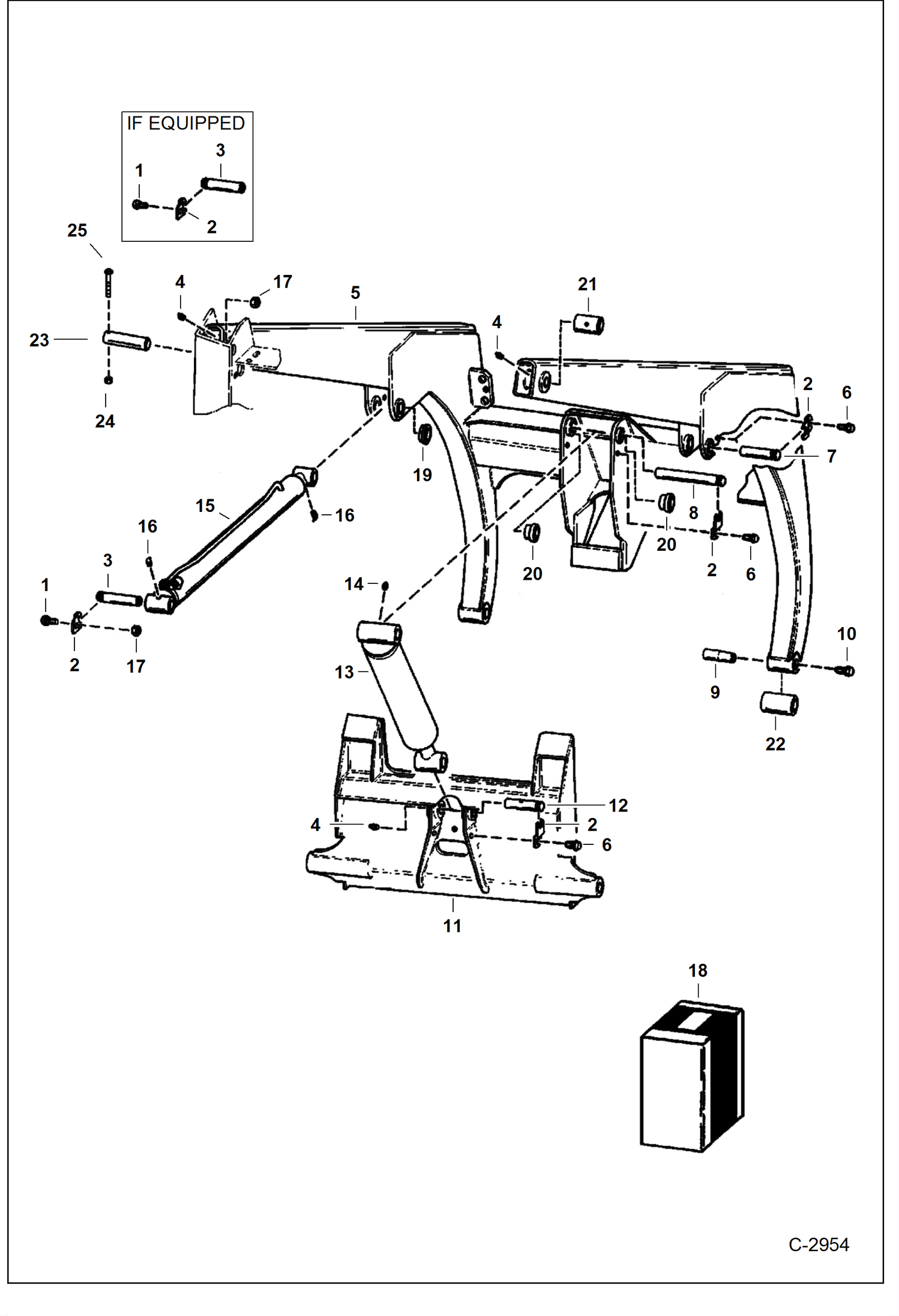
Запчасти Bobcat 400s LIFT ARMS & BOB-TACH MAIN FRAME

Схема запчастей Bobcat 400s - LIFT ARMS & BOB-TACH MAIN FRAME
FIT
1:1
100%

Артикул

Название

Примечание

Количество

1

10C512

BOLT Was 6553808 - A

2

6586307

RETAINER Was 6563850 - A

3

6563848

PIN

4

10H25

FITTING, GREASE 5

5

6563844

LIFT ARM Also Order 6579528 , 6569233 6565257 , 6565258

6

84G3712

BOLT 5

7

6563847

PIN

8

6563846

PIN

9

6564198

PIN, PIVOT TAPERED

10

17C828

BOLT

11

BOB-TACH See Illustration BOB-TACH/ C2803 See Illustration BOB-TACH/ B17945 SALES

12

6563845

PIN

13

CYLINDER See Illustration TILT CYLINDER/ B17949 TILT

14

10H35

FITTING, GREASE 10 Grease

15

CYLINDER See Illustration LIFT CYLINDER/ B17948 See Illustration LIFT CYLINDER/ C1489 LIFT

16

11H25

FITTING10 Grease

17

83D5

NUT 5

18

KIT NLA - Order Ref. 5 - Was 6592930 - A

19

6563829

BUSHING Weld On

20

6563830

BUSHING Weld On

21

6563831

BUSHING Weld On

22

6563832

BUSHING Weld On

Выбрано товаров: 22