Запчасти Bobcat 400s HYDROSTATIC PUMP (Shaft End) HYDROSTATIC SYSTEM

Схема запчастей Bobcat 400s - HYDROSTATIC PUMP (Shaft End) HYDROSTATIC SYSTEM
FIT
1:1
100%

Артикул

Название

Примечание

Количество

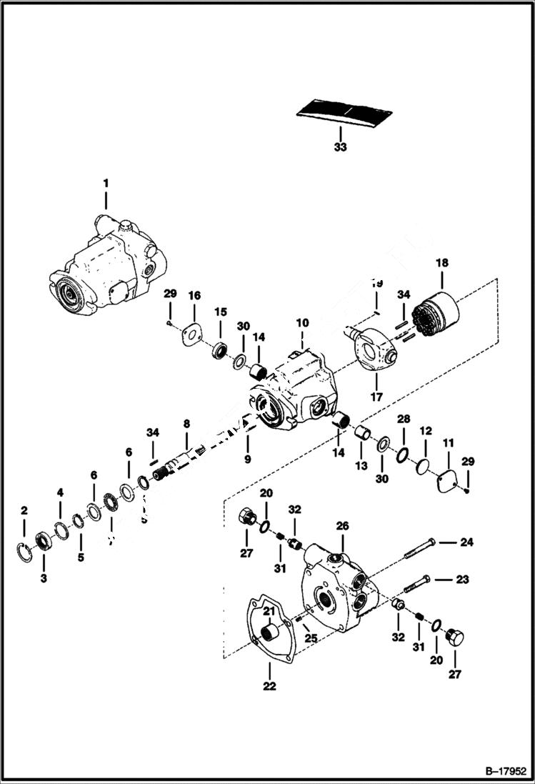
1

6630021

PUMP New - Splined Shaft

1

PUMP NLA - remanufactured - Splined Shaft - Order 6630021 - Was 6630496 - A

2

661415

SNAP RING

3

SEAL NSS - shaft

4

6598875

WASHER

5

710776

SNAP RING

6

6598878

RACE

7

3292657

BEARING thrust

8

6630020

SHAFT drive - Splined

9

851239

BEARING

10

HOUSING NLA - W/Ref. 9 - Was 6598884 - A

11

6598887

COVER

12

6648789

COVER Was 6598888 - A

13

6598883

RACE

14

654387

BEARING

15

SEAL NSS

16

6598886

COVER

17

6598892

YOKE yoke

18

6598893

GROUP rotating

19

6630170

KEY

20

O-RING NSS

21

654386

BEARING

22

GASKET NSS

23

17C532

BOLT 5

24

17C540

BOLT

25

214028

PIN

26

6630019

PLATE back - W/Ref. 21

27

PLUG NLA - W/Ref. 20 - Order 6513998 Plug, 6630243 Seat & 6514010 Spring - Was 6598877 - A

27

6513998

PLUG

28

25K40108

O RING 10

29

6598881

SCREW

30

6598876

WASHER

31

SPRING NLA - Was 6598882 - A

31

6514010

SPRING

32

SEAT NLA - Was 6598890 - A

32

6630243

POPPET

33

6598896

KIT, SEAL Ref. 2, 3, 5, 15, 20, 22 & 28

34

6654126

PIN

Выбрано товаров: 38