Качественные детали и логистика
Оригинальные и аналоговые запчасти с доставкой по России, Казахстану и Беларуси
©2022 PartSell ООО "Система" ИНН 2463123282 ОГРН 1212400004838
Центральный офис: г. Красноярск, Академика Киренского, д.87, пом.4
Телефон: 8 (800) 777-65-74 Email: zakaz@partsell.ru
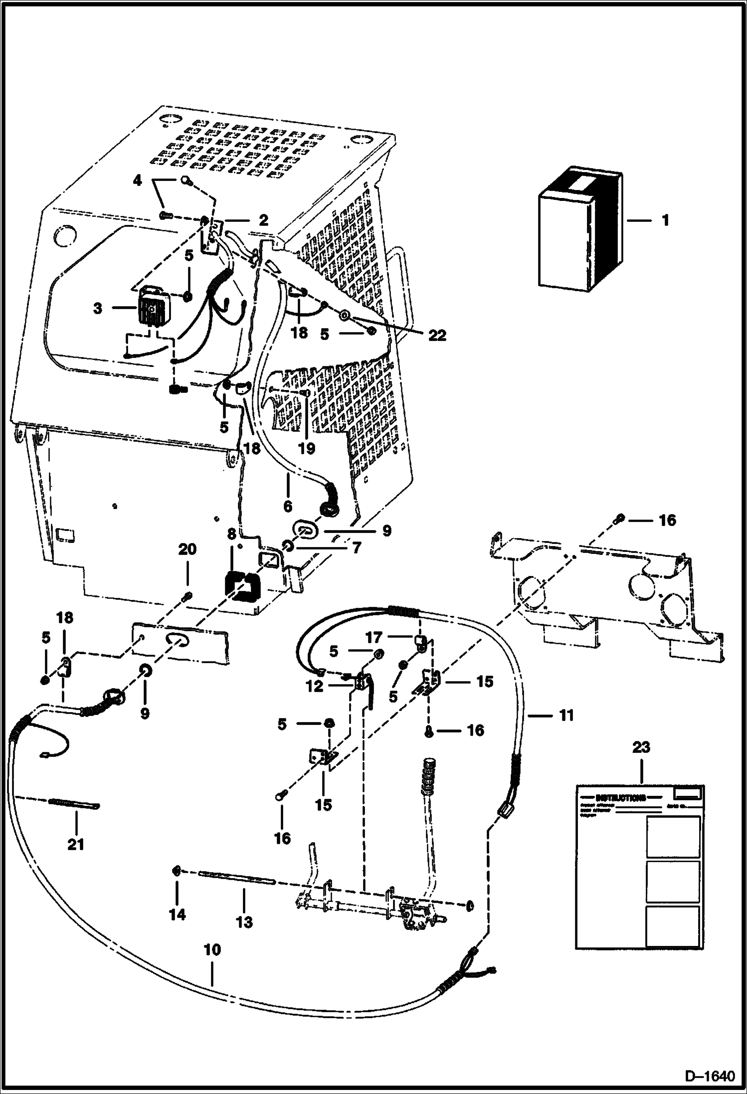
BACK-UP ALARM
№
Артикул
Название
Примечание
Количество
1
6565745
KIT back-up alarm - Ref. 2-21
2
6565484
MOUNT
3
6651512
ALARM, BACK-UP Was 6599931 - A
6668879
DECAL
4
17C512
BOLT 5
5
57D5
NUT
6
6565485
HARNESS
7
6564590
FLANGE
8
6555351
SEAL bulk - sold per foot
9
25K40100
O RING 10
10
6565486
11
6565495
12
6579011
SWITCH lever - Was 6557640 - A
13
6564331
ROD
14
6598966
CAP
15
6564929
16
35C512
BOLT
17
30H19
CLIP
18
30H30
CLAMP
19
10C512
BOLT Was 6553808 - A
20
84G3116
SCREW
21
6610510
TIE
22
25E15
WASHER
23
6566529
INSTRUCTIONS
Выбрано товаров: 0