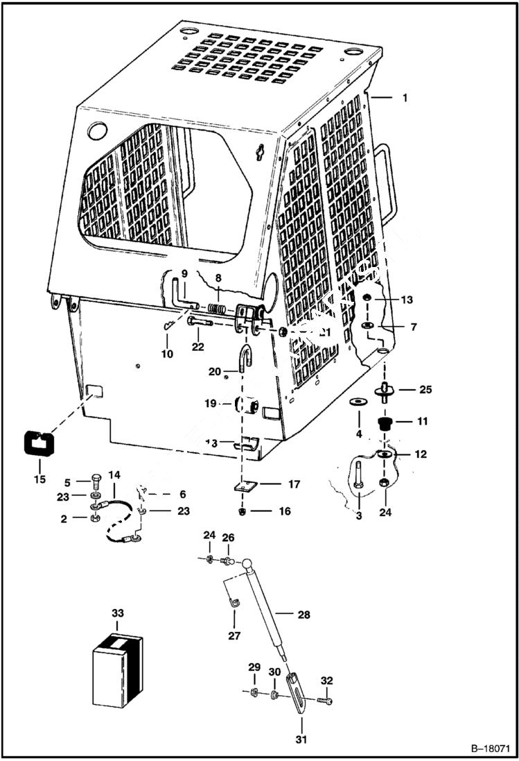
Запчасти Bobcat 400s OPERATOR CAB MAIN FRAME

Схема запчастей Bobcat 400s - OPERATOR CAB MAIN FRAME
FIT
1:1
100%

Артикул

Название

Примечание

Количество

1

CAB See BTI296 NLA

2

61D5

NUT

3

17C840

BOLT hex cap screw - grade 8

4

6543321

WASHER flat round - Use W/ Ref. 3

5

17C512

BOLT 5

6

84G3112

BOLT 5

7

6553709

WASHER

8

6593390

SPRING

9

6593389

PIN

10

1306637

CLIP

11

6560633

DAMPENER

12

6515817

WASHER

13

59D8

NUT 5

14

6594283

WIRE

15

6555351

SEAL bulk - sold per foot

16

83D6

NUT 5

17

6565068

PLATE

18

6563997

RETAINER

19

6562602

BUSHING

20

6563998

U-BOLT

21

85D10

NUT, 5

22

17C1048

BOLT

23

25E15

WASHER

24

83D5

NUT 5 hex flange locknut - Use W/Ref. 26

25

6702971

BOLT bolt assy dog washer

26

6706519

STUD ball head

27

6706520

RING retaining - Use W/Ref. 28

28

6664206

GAS SPRING Suspa

29

95D6

NUT hex - grade 5 - Was 91D000006B - A

30

6706272

BUSHING flange - Use W/Ref. 31

31

6706092

END slotted - gas spring

32

25G616

SCREW hex socket cap button head

33

6707163

KIT Ref. 24, 26-32

Выбрано товаров: 33