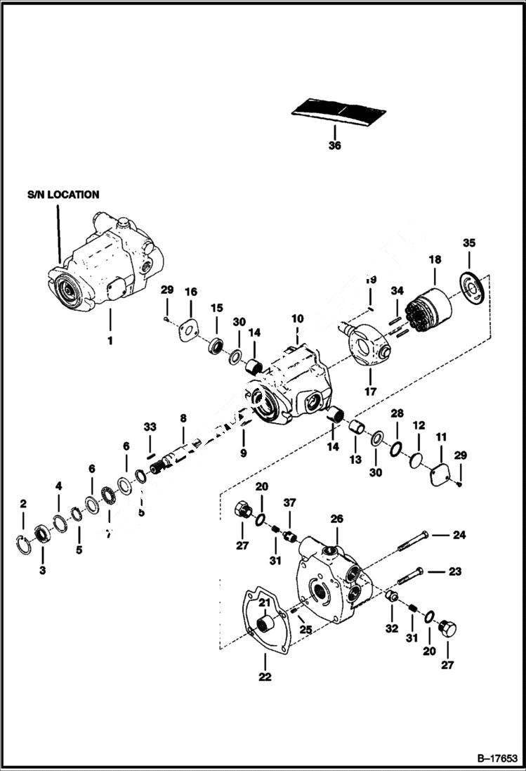
Запчасти Bobcat 400s HYDROSTATIC PUMP (Shaft End) HYDROSTATIC SYSTEM

Схема запчастей Bobcat 400s - HYDROSTATIC PUMP (Shaft End) HYDROSTATIC SYSTEM
FIT
1:1
100%

Артикул

Название

Примечание

Количество

1

6670853

PUMP New - 70145-LBG-02 - Pulley end of pump - Pumps are gray in color

2

661415

SNAP RING

3

SEAL SHAFT NSS

4

6598875

WASHER

5

710776

SNAP RING

6

6598878

RACE

7

3292657

BEARING thrust

8

6598894

SHAFT drive

9

851239

BEARING

10

6667673

HOUSING W/Ref. 2

11

6598887

COVER

12

6648789

COVER

13

6598883

RACE

14

654387

BEARING

15

SEAL NSS

16

6598886

COVER

17

6598892

YOKE yoke

18

6598893

GROUP

19

6630170

KEY

20

O-RING NSS

21

654386

BEARING

22

GASKET NSS

23

17C532

BOLT 5

24

17C540

BOLT

25

214028

PIN

26

6667997

PLATE back - W/Ref. 21

27

6598877

PLUG W/Ref. 20

28

25K40108

O RING 10

29

6598881

SCREW

30

6598876

WASHER

31

6598882

SPRING

32

6598890

SEAT

33

6598880

KEY

34

6654126

PIN

35

6667998

PLATE

36

6598896

KIT, SEAL Ref. 2, 3, 5, 15, 20, 22 & 28

37

6632063

RELIEF VALVE 3400 PSI

Выбрано товаров: 0