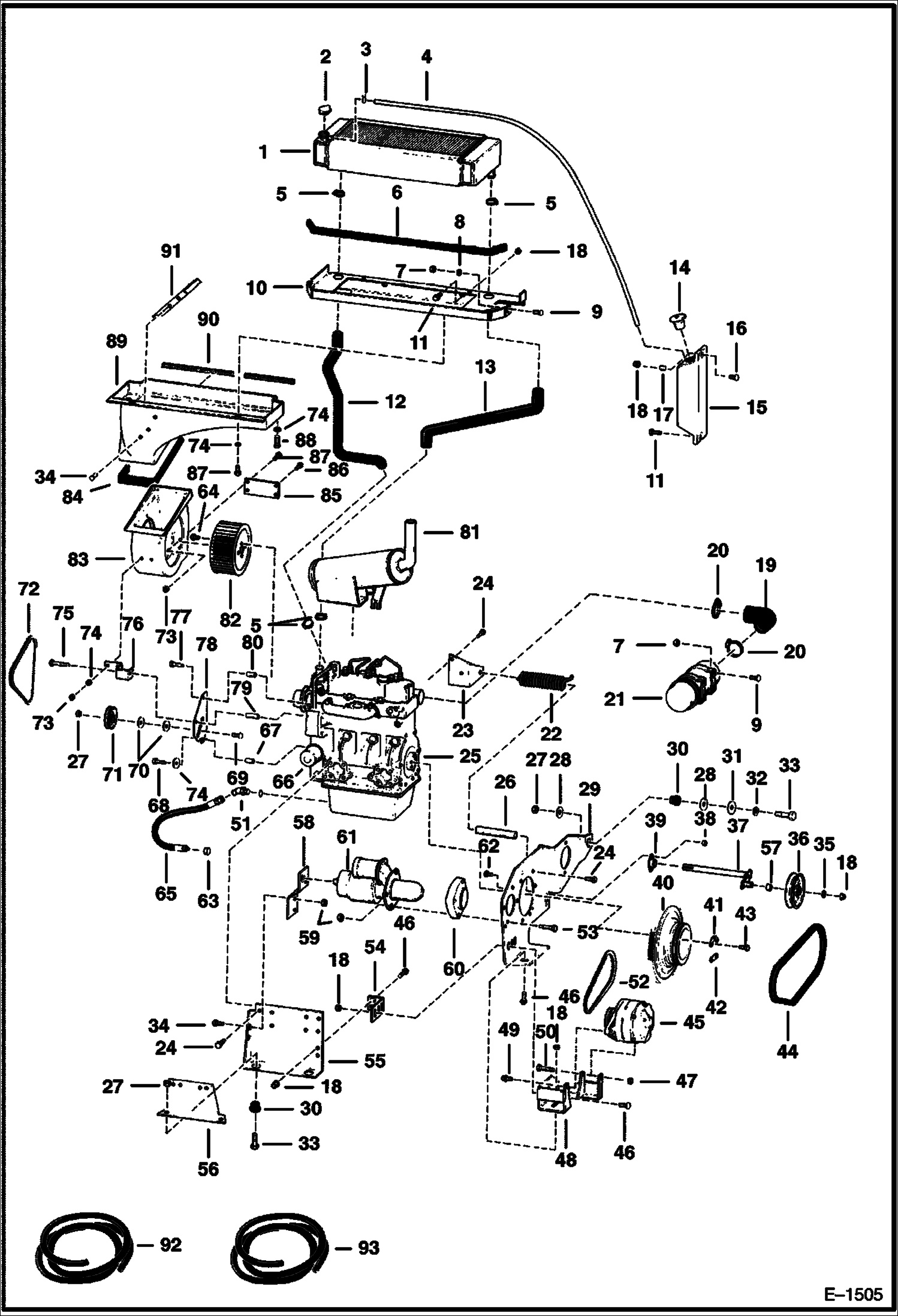
Запчасти Bobcat 400s ENGINE & ATTACHING PARTS POWER UNIT

Схема запчастей Bobcat 400s - ENGINE & ATTACHING PARTS POWER UNIT
FIT
1:1
100%

Артикул

Название

Примечание

Количество

1

6678670

EXCHANGER, WATER RADIATOR Was 6677347 - A

2

6666606

RADIATOR CAP Was 6630156 - A

3

42HS04

CLAMP, HOSE Was 6515575 - A

4

HOSE NLA - 35'' (889 mm) - Order 6577822

5

42H16

CLAMP, HOSE 5 worm gear

6

SEAL NLA - bulk - sold per foot - Was 6632217 - B

7

61D5

NUT

8

6565433

WASHER

9

10C512

BOLT Was 6553808 - A

10

6564382

MOUNT

11

84G3716

SCREW 5

12

6564052

HOSE

13

6564053

HOSE

14

6702797

CAP Was 6558658 - A

15

6593012

TANK

16

7C620

BOLT

17

6593013

SPACER

18

83D6

NUT 5

19

6702304

HOSE

20

42H32

HS CLAMP5 Was 6513595 - A

21

AIR CLEANER See Illustration AIR CLEANER/ B17728

22

6678782

SPRING Was 6564892 - A

23

6564584

BRACKET

24

5CM1020

SCREW

25

ENGINE See Illustration ENGINE/ B17685

26

6564788

TUBE

27

85D8

NUT, 5

28

6564692

WASHER

29

6565273

MOUNT

30

6560633

DAMPENER Rubber

31

6565472

WASHER

32

25E31

WASHER

33

17C844

BOLT

34

6630207

RIVET 5 Was 6512797 - A

35

27E6

WASHER 5 Use W/NLA 6564011

36

PULLEY NLA - Order 6689692 - Was 6564011 - A

36

6689692

PULLEY, IDLER Was 6689645 - A

37

6532348

BRACKET W/stud

38

61D4

NUT 5

39

6599468

BEARING

40

6563960

FLYWHEEL W/Ring Gear

40

6562279

RING GEAR

41

6598847

WASHER

42

6598846

WASHER

43

6661636

BOLT Washer face

44

6564091

BELT

45

ALTERNATOR See Illustration ALTERNATOR/ C2999

46

6557432

BOLT

47

85D6

NUT, 5 For Motorola Alternator

48

6564548

BRACKET

49

35C520

BOLT For Motorola Alternator

50

17C652

BOLT For Motorola Alternator

51

18K6

FITTING W/79K-8 O-Ring

52

6520553

BELT 28.5'' (723,9 mm) - Motorola

53

17C636

BOLT

54

6565062

BRACE

55

6563925

MOUNT

56

6564401

MOUNT

57

6532347

SPACER Use W/NLA 6564011

58

6564383

BRACKET

59

61D6

NUT 5

60

6562480

SPACER

61

STARTER See Illustration STARTER (SEALED)/ B17654 See Illustration STARTER/ B1192

62

17C412

BOLT 5

63

29CM612

BOLT, FLANGED Was 6652762 - A

64

36K6

CAP

65

6529958

HOSE

66

CARTRIDGE See Illustration GEARCASE/ C2727 OIL FILTER

67

6564971

SPACER

68

1CM690

BOLT

69

37C828

BOLT

70

27E10

WASHER

71

6564012

PULLEY

72

6564738

BELT

73

83D5

NUT 5

74

25E15

WASHER

75

17C556

BOLT

76

6564374

MOUNT

77

1CM640

SCREW

78

6564378

MOUNT

79

6564972

SPACER

80

6564970

SPACER

81

6564564

MUFFLER spark arrestor

82

6564993

BLOWER WHEEL

83

6565070

HOUSING

84

SEAL NLA - 29 in. (736,6 mm) long - Order Ref. 92

85

6564375

MOUNT

86

1CM812

BOLT

87

17C512

BOLT 5

88

17C508

BOLT

89

6565069

HOUSING

90

FOAM STRIP NLA - 20 in. (508 mm) long - Order Ref. 93

91

6565060

SCREEN baffle

92

6513152

SEAL bulk - sold per foot

93

6511855

SEAL self adhesive - bulk - sold per foot

Выбрано товаров: 95