Запчасти Bobcat 400s CRANKCASE POWER UNIT

Схема запчастей Bobcat 400s - CRANKCASE POWER UNIT
FIT
1:1
100%

Артикул

Название

Примечание

Количество

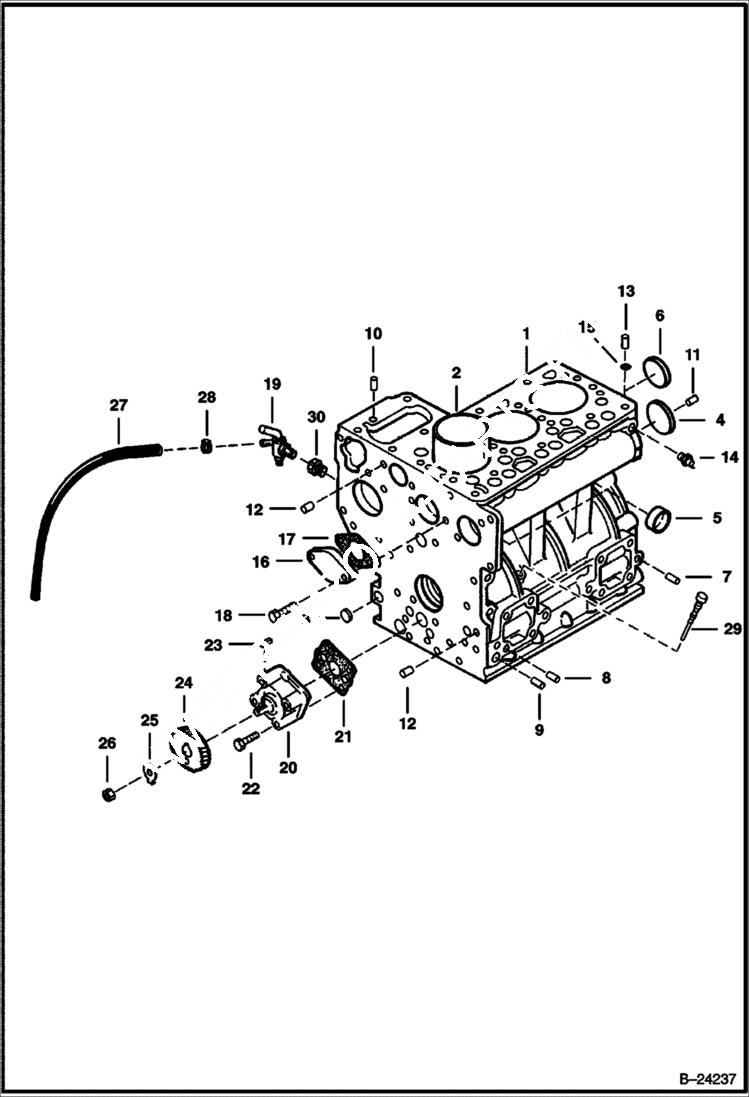
1

CRANKCASE NLA - W/Ref. 2-13 - Was 6630002 - A

2

6599985

LINER

3

4FM18

PLUG

4

4FM40

PLUG

5

3974033

CAP

6

3974433

PLUG

7

6598116

PLUG

8

6652574

PLUG Was 6598169 - A

9

6598170

PLUG

10

3974394

PIN

11

21JM814

PIN dowel

12

3974039

PIN

13

3974037

PIN

14

6969775

SWITCH, OIL PRESSURE Was 6652576 - A

15

3974038

O RING

16

3974044

COVER

17

6666777

GASKET Was 3974045B - A

18

4CM618

BOLT

19

6672190

DRAINCOCK Was 6630177 - A

20

6598984

OIL PUMP

21

6666773

GASKET Was 6599108 - A

22

6599067

BOLT

23

6969805

KEY,FEATHER Was 15JM00410B - A

24

6599048

GEAR Use W/Ref. 25

24

6653580

GEAR

25

WASHER NLA - Was 6599091 - A

26

6599065

NUT Use W/Ref. 25

26

6652656

NUT flanged

27

6577822

HOSE bulk - sold per foot

27

6577822

HOSE Required - Was 6562515 - A

28

42HS04

CLAMP, HOSE Was 6515575 - A

29

6657048

PLUG

30

6657047

ADAPTER

Выбрано товаров: 33