Качественные детали и логистика
Оригинальные и аналоговые запчасти с доставкой по России, Казахстану и Беларуси
©2022 PartSell ООО "Система" ИНН 2463123282 ОГРН 1212400004838
Центральный офис: г. Красноярск, Академика Киренского, д.87, пом.4
Телефон: 8 (800) 777-65-74 Email: zakaz@partsell.ru
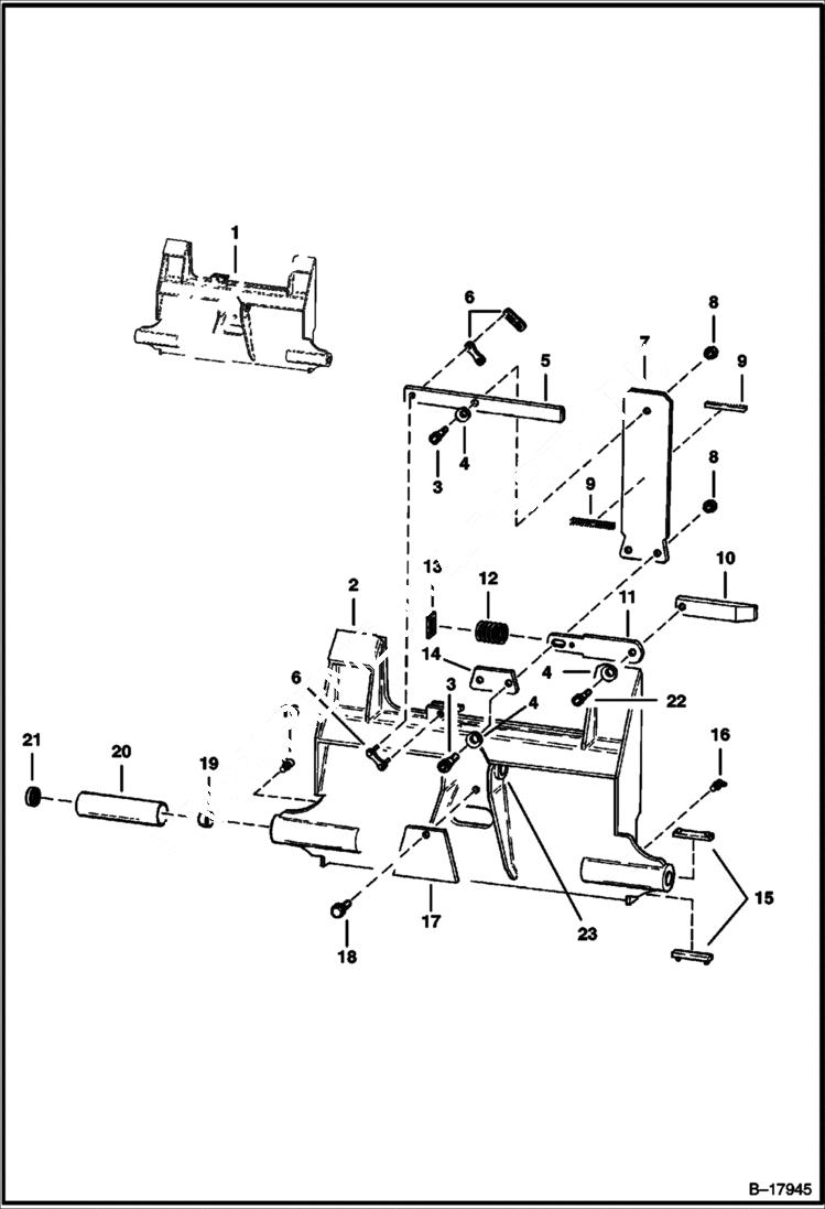
BOB-TACH
№
Артикул
Название
Примечание
Количество
1
BOB-TACH See Illustration BOB-TACH/ C2803 NLA
2
FRAME NLA
3
38C810
BOLT Was 661846B - B
4
6512913
WASHER
5
6563912
LEVER
6
6558077
LINK
7
6563911
SLIDE
8
85D6
NUT, 5
9
6565193
GROMMET
10
6563909
WEDGE
11
6563910
12
6565156
SPRING
13
6564454
14
6563913
15
6562026
INSERT
16
12H15
FITTING, GREASE 5
17
6565192
COVER
18
84G3712
BOLT 5
19
215842
PLUG Use only on older models
20
6565160
BUSHING weld on
21
1990599
WIPER
22
38C806
BOLT Was 1308910B - B
23
6563830
BUSHING
Выбрано товаров: 0