Запчасти Bobcat 400s CYLINDER HEAD POWER UNIT

Схема запчастей Bobcat 400s - CYLINDER HEAD POWER UNIT
FIT
1:1
100%

Артикул

Название

Примечание

Количество

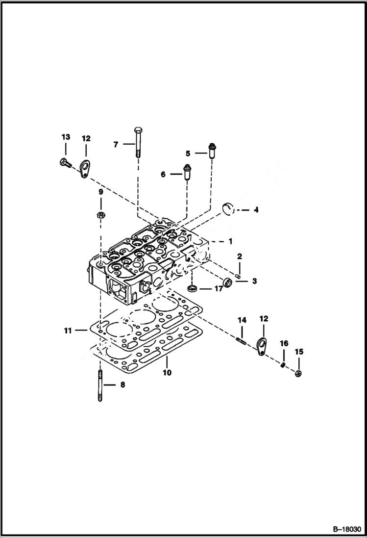
1

6599993

HEAD ASSY W/Ref. 2-6

1

6599993REM

HEAD, KUBOTA D750

2

6598116

PLUG

3

3974056

CAP

4

3974033

CAP

5

3974059

GUIDE Intake

6

3974060

GUIDE Exhaust

7

6630006

BOLT 12 or 13

8

6630005

STUD

9

6630007

NUT

10

6599994

GASKET

11

6599995

SHIM

12

3974882

HOOK

13

1CM816

BOLT Was 4CM816 - A

14

3974429

STUD

15

1DM8

NUT Was 25DM00008B - A

16

6EM80

WASHER, SPRING

17

6630370

CHAMBER combustion

Выбрано товаров: 18