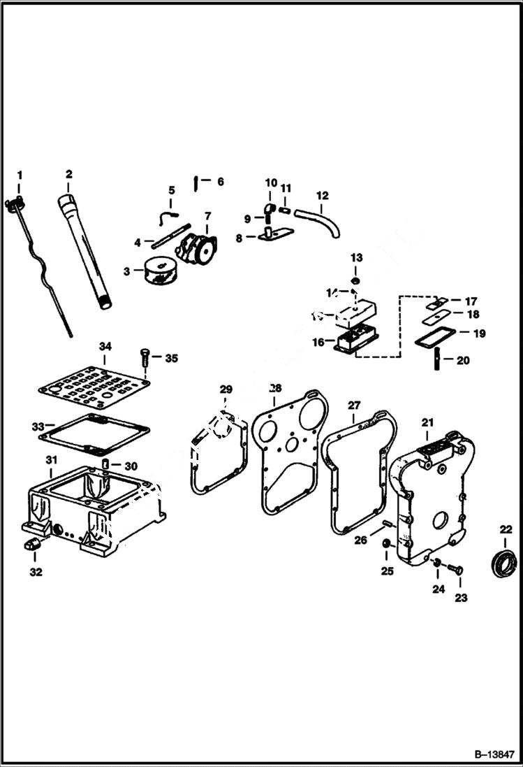
Запчасти Bobcat 400s GEAR COVER, OIL PUMP & OIL BASE GROUP POWER UNIT

Схема запчастей Bobcat 400s - GEAR COVER, OIL PUMP & OIL BASE GROUP POWER UNIT
FIT
1:1
100%

Артикул

Название

Примечание

Количество

1

DIPSTICK NLA - oil - Was 6517152 - A

2

TUBE NLA - oil fill - Was 6517153 - A

3

6517169

STRAINER oil pump intake

4

TUBE NLA - oil - Was 6517167 - A

5

6517166

CLAMP oil tube

6

1F212

PIN

7

6517168

PUMP oil

8

COVER NLA - breather - Was 6517157 - A

9

NIPPLE NLA - Was 5K000207B - A

10

ELBOW NLA - male - Was 24F000002B - A

11

5K216

NIPPLE

12

6517219

LINE breather

13

61D4

NUT 5

14

4E4

WASHER

15

COVER NLA - breather - E/S No. 3947 - Was 6517215 - A

16

BODY NLA - breather - Was 6517158 - A

17

6517159

STOP breather reed

18

REED NLA - breather - Was 6517160 - A

19

6517161

GASKET breather

20

6599786

STUD breather - Was 6517162 - A

21

COVER NLA - gear - W/Alternator - Was 6517163 - A

21

COVER NLA - gear - W/Generator - Was 6518100 - A

22

SEAL NLA - front oil - Was 6517164 - A

23

6517165

BOLT

23

17C508

BOLT

23

17C536

BOLT

23

17C540

BOLT

23

17C514

BOLT

23

17C512

BOLT 5

24

25E15

WASHER

25

61D5

NUT

26

6517466

ROLL PIN

27

GASKET NLA - Was 6517156 - A

28

6517155

PLATE

29

GASKET NLA - Was 6517154 - A

30

DOWEL PIN NLA - Was 6599786 - A

31

BASE NLA - Was 6517171 - A

32

40K12

PLUG

33

6517173

GASKET

34

BAFFLE NLA - Was 6517174 - A

35

18C616

BOLT 5

Выбрано товаров: 41