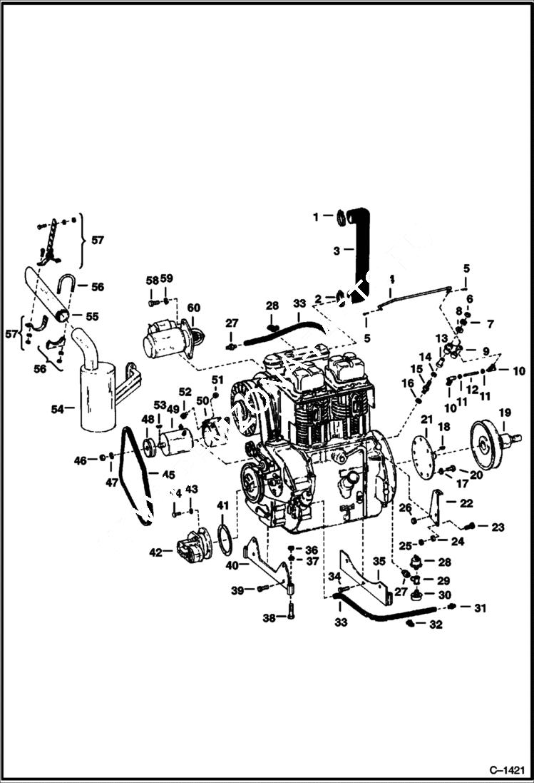
Запчасти Bobcat 400s ENGINE & ATTACHING PARTS F2L310 Deutz Diesel POWER UNIT

Схема запчастей Bobcat 400s - ENGINE & ATTACHING PARTS F2L310 Deutz Diesel POWER UNIT
FIT
1:1
100%

Артикул

Название

Примечание

Количество

1

42H32

HS CLAMP5

2

42H40

HOSECLAM5

3

6504923

HOSE

4

ROD NLA - Was 6508161 - A

5

1F312

PIN

6

61D6

NUT 5

7

4E6

WASHER

8

25E17

WASHER 5

9

6508162

SWIVEL motor throttle

10

6515194

BALL JOINT

11

14D10

NUT

12

ROD NLA - linkage - Was 6517071 - A

12

6508157

LINKAGE W/Ref. 10 & 11

13

6515202

BUSHING throttle swivel

14

25E21

WASHER 5 flat

15

SCREW NLA - Was 6504736 - A

16

6515468

WASHER bronze sealing

17

6E6

WASHER shakeproof

18

7J5200

KEY square - Was 7J005114B - A

18

5J808

KEY woodruff

19

6502035

SPEED DRIVE See Illustration VARIABLE SPEED DRIVE CIRCUITRY/ B1159 See Illustration VARIABLE SPEED DRIVE CIRCUITRY/ B1160 VARIABLE - TAPER SHAFT

20

17C616

BOLT 5

21

PLATE NLA - Straight Shaft

21

6501608

PLATE

22

6508158

BRACKET

23

1CM1030

BOLT Was 4CM1030 - A

24

6EM100

WASHER

25

1DM10

NUT

26

6517825

GROMMET

27

ADAPTER NLA - Was 663365B - A

28

1550963

SWITCH hour meter

29

TEE NLA - brass - Was 854347 - A

30

6515752

SWITCH oil pressure

31

6515159

INSERT male barbed

32

30H29

CLAMP

33

6508164

HOSE fuel - Bulk - Sold Per Foot

34

1CM1235

BOLT Was 4CM1235 - A

35

6508127

MOUNT engine

36

61D10

NUT

37

4E10

WASHER

38

17C1048

BOLT

39

1CM1440

BOLT Was 4CM1440 - A

40

6508126

MOUNT engine

41

6517683

GASKET hydraulic drive

42

PUMP See Illustration HYDRAULIC PUMP/ C1042 HYD.

43

1EM60

WASHER

44

4CM618

BOLT

45

6517703

BELT fan

46

NUT NLA - Was 27DM00012B - A

47

6EM120

WASHER

48

6517812

PULLEY generator

49

GENERATOR See Illustration BOSCH GENERATOR/ B21204 NLA - WAS 4118960B - A

50

6517813

BRACKET generator mounting

51

1DM6

NUT

52

4CM618

BOLT

53

16JM365

KEY generator pulley

54

MUFFLER NLA - exhaust - Was 6508159 - A

55

6508166

PIPE

56

CLAMP NLA - Was 659179 - A

57

6508156

CLAMP

58

1CM1225

BOLT Was 4CM1225 - A

59

6EM120

WASHER

60

STARTER See Illustration STARTER/ C2378 See Illustration STARTER/ B20825

Выбрано товаров: 63