Запчасти Bobcat 400s FRONT COVER GROUP F2L310 Deutz Diesel POWER UNIT

Схема запчастей Bobcat 400s - FRONT COVER GROUP F2L310 Deutz Diesel POWER UNIT
FIT
1:1
100%

Артикул

Название

Примечание

Количество

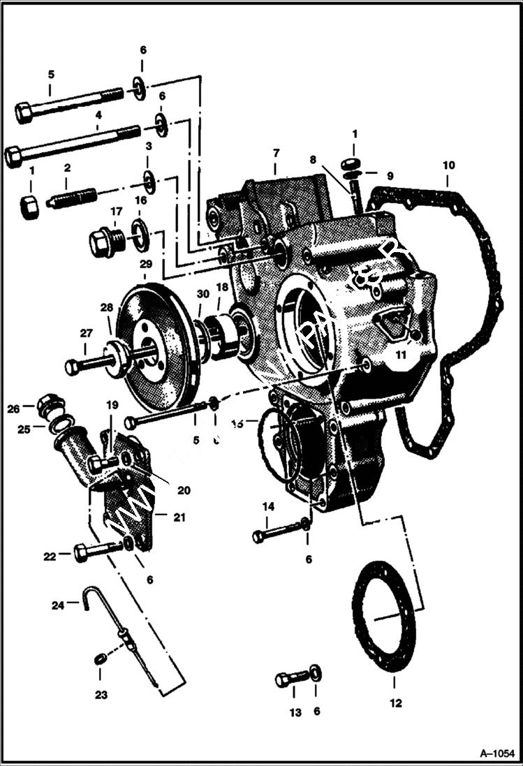
1

1DM8

NUT

2

6518145

STUD

3

6516157

WASHER

4

SCREW NLA - Was 1CM006120B - A

5

1CM690

BOLT

6

1EM60

WASHER

7

6517722

COVER front

8

6517836

STUD

9

6EM80

WASHER, SPRING

10

GASKET NLA - front cover - Was 6517719 - A

11

3FM00012

PLUG

12

6517683

GASKET cam

13

4CM618

BOLT

14

1CM670

BOLT

15

6515913

O-RING

16

6515946

WASHER copper

17

1KM22

PLUG front cover

18

6517707

BEARING idler shaft, front

19

1CM825

BOLT Was 4CM825 - A

20

1EM80

WASHER

21

6517731

OIL FILLER front

22

1CM680

BOLT

23

6517691

O-RING dipstick

24

6517732

DIPSTICK front

25

WASHER NLA - oil filler - Was 2FM030360B - A

26

PLUG NLA - oil filler - Was 1KM000030B - A

27

SCREW NLA - Was 1CM010160B - A

28

WASHER NLA - Was 6517713 - A

29

PULLEY NLA - Was 6517726 - A

30

6517689

SEAL

30

6517697

SEAL

Выбрано товаров: 31