Запчасти Bobcat 400s BRAKE & ATTACHING PARTS ACCESSORIES & OPTIONS

Схема запчастей Bobcat 400s - BRAKE & ATTACHING PARTS ACCESSORIES & OPTIONS
FIT
1:1
100%

Артикул

Название

Примечание

Количество

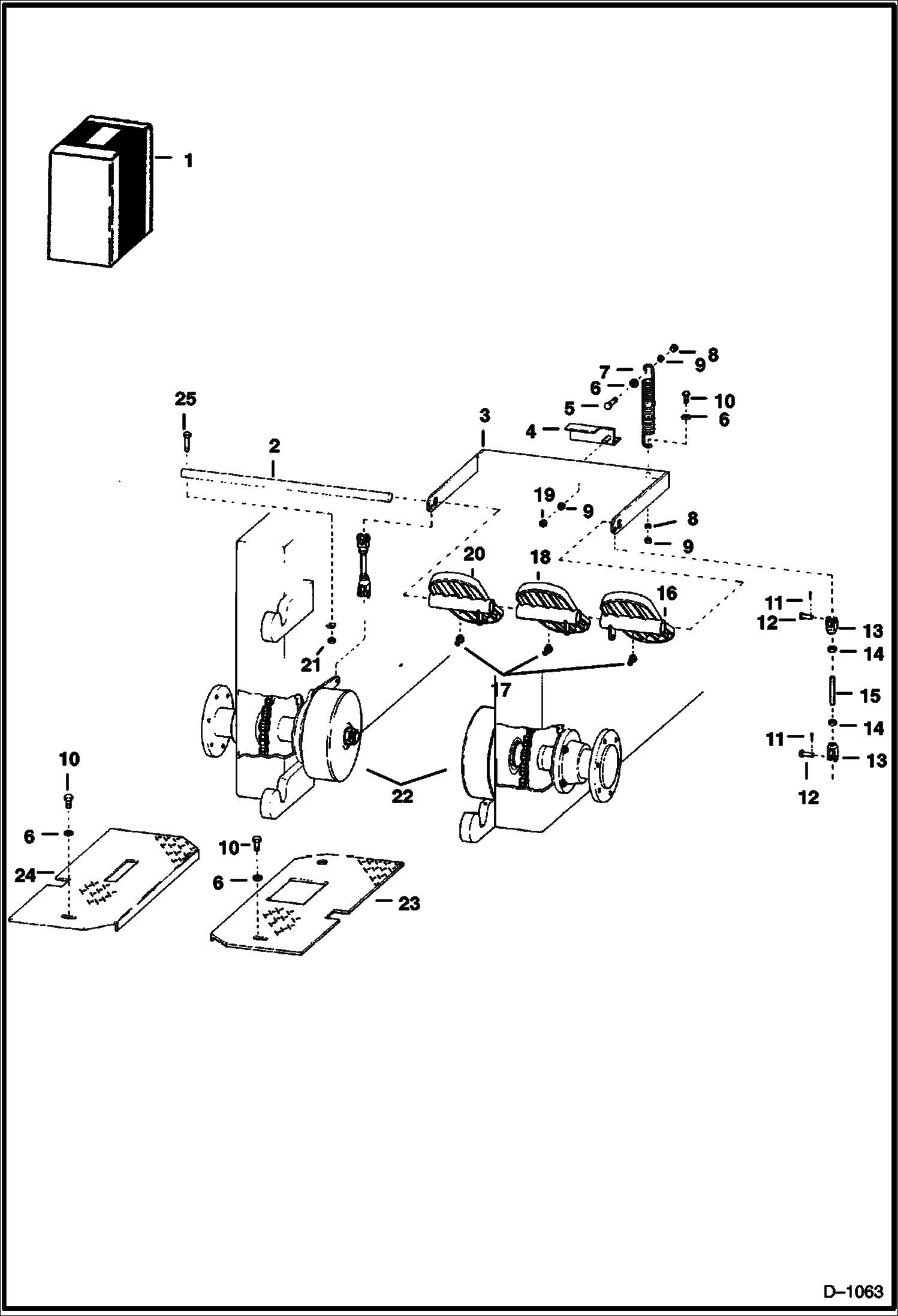
1

KIT See Illustration BRAKES/ B21214 NLA - BRAKES - ORDER 6547224

2

SHAFT NLA - Was 6502910 - A

3

PEDAL NLA - Was 6501384 - A

4

ARM NLA - Was 6501385 - A

5

17C620

BOLT

6

25E17

WASHER 5

7

6503625

SPRING

8

61D6

NUT 5

9

4E6

WASHER

10

17C612

BOLT 5

11

1F416

PIN Was 1F000412B - D

12

663350

PIN

13

6508041

YOKE

14

8D6

NUT 5

15

6503243

ROD

16

PEDAL NLA - Was 6503403 - A

17

12H15

FITTING, GREASE 5

18

PEDAL NLA - auxiliary - Was 6502912 - A

19

7D6

NUT

20

6503402

PEDAL

21

81D6

NUT

22

AXLE & BRAKE See Illustration AXLE & BRAKE ASSEMBLY/ B21213 W/ASSY.

23

6503410

PANEL L.H.

24

6503411

PANEL R.H.

25

17C524

BOLT

Выбрано товаров: 25