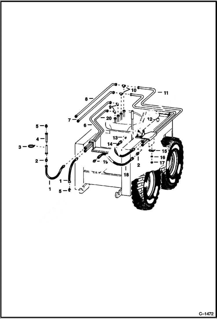
Запчасти Bobcat 400s VERTICAL FORK LIFT HYDRAULIC CIRCUITRY - M500 ACCESSORIES & OPTIONS

Схема запчастей Bobcat 400s - VERTICAL FORK LIFT HYDRAULIC CIRCUITRY - M500 ACCESSORIES & OPTIONS
FIT
1:1
100%

Артикул

Название

Примечание

Количество

1

6563616

HOSE Was 6501053 - A

2

87F6

FITTING

3

6503117

TIE

4

6508813

TUBE

5

89F6

CONNECTR

6

6508816

TUBE

7

6508814

TUBE

8

6508815

TUBE

9

77F6

ELBOW

10

10K6

FITTING

11

6508818

TUBE

12

6508819

TUBE

13

83F5

ELBOW

14

6501051

HOSE

15

6502426

CLAMP double

16

4E5

WASHER

17

61D5

NUT

18

6501055

HOSE

19

89F5

CONNECTR

20

6508817

TUBE

Выбрано товаров: 20