Запчасти Bobcat 400s TILT CYLINDER HYDRAULIC CIRCUITRY HYDRAULIC SYSTEM

Схема запчастей Bobcat 400s - TILT CYLINDER HYDRAULIC CIRCUITRY HYDRAULIC SYSTEM
FIT
1:1
100%

Артикул

Название

Примечание

Количество

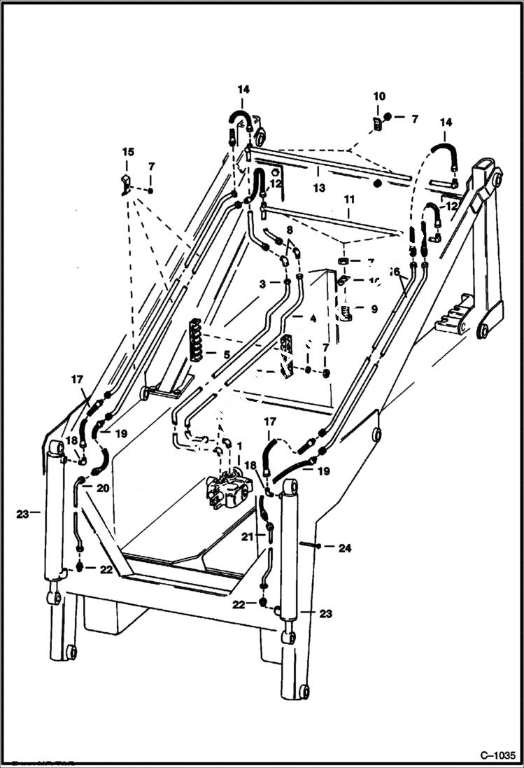
1

6504942

VALVE See Illustration TILT CYLINDER VALVE/ C1049

2

662487

ELBOW

3

TUBE NLA - Was 6501038 - A

4

TUBE NLA - Was 6501039 - A

5

BLOCK NLA - wood - Was 6502345 - A

6

25E17

WASHER 5

7

81D6

NUT

8

77F6

ELBOW

9

17C620

BOLT

10

CLAMP NLA - hydraulic tube mounting - Was 6505660 - A

11

TUBE NLA - Was 6501044 - A

12

6563616

HOSE Was 6501053 - A

13

TUBE NLA - Was 6501043 - A

14

6501052

HOSE

15

6502203

CLAMP

16

6501040

TUBE

17

6501051

HOSE

18

83F5

ELBOW Not Use W/new cylinder 6531681 - See Ill. C3321 for correct fittings

19

6501049

HOSE

20

6501041

TUBE

21

6501042

TUBE

22

89F5

CONNECTR Not Use W/new cylinder 6531681 - See Ill. C3321 for correct fittings

23

CYLINDER See Illustration TILT CYLINDER/ B21195 See Illustration TILT CYLINDER/ B13860 See Illustration TILT CYLINDER/ C3321 See Illustration TILT CYLINDER/ C1050 TILT

24

42H40

HOSECLAM5 nylon

Выбрано товаров: 24