Запчасти Bobcat 400s MAIN FRAME ELECTRICAL M-444 Gasoline ELECTRICAL SYSTEM

Схема запчастей Bobcat 400s - MAIN FRAME ELECTRICAL M-444 Gasoline ELECTRICAL SYSTEM
FIT
1:1
100%

Артикул

Название

Примечание

Количество

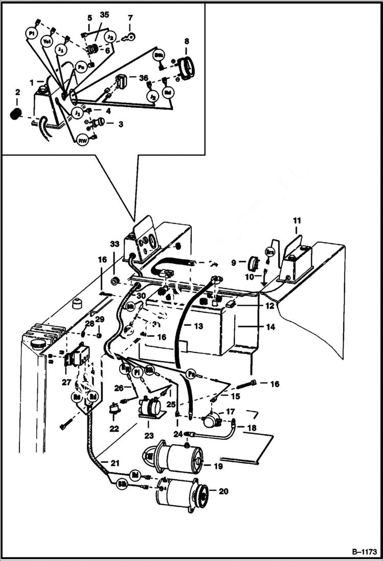
1

PANEL See Illustration MAIN FRAME ATTACHING PARTS/ B21119 INSTRUMENT - LEFT

2

565049

GROMMET

3

6515427

LIGHT oil pressure

3

6519059

GAUGE oil pressure

4

WIRE

5

WIRE

6

6515315

SWITCH ignition

7

6505412

KEY ignition

8

6512807

GAUGE ammeter

9

6551203

HOURMETER

10

WIRE ground

11

PANEL See Illustration MAIN FRAME ATTACHING PARTS/ B21120 INSTRUMENT - RIGHT

12

CLIP NLA - Was 6502236 - A

13

667483

CABLE battery

14

6674687

BATTERY, DRY 600 AMP Was 6669318 - A

15

WIRE

16

6610510

TIE Was 1715312B - A

17

6632186

SOLENOID starter - Was 6631939 - A

18

CABLE NLA - Was 660165 - A

19

STARTER See Illustration STARTER/ B1199

20

GENERATOR See Illustration GENERATOR/ C1027 NLA

21

HARNESS NLA - wiring - Was 6501057 - A

22

6517282

SWITCH oil pressure

23

6517283

COIL ignition

24

WIRE

25

6504995

WIRE

26

WIRE NLA - Was 6501104 - A

27

664865

V REG voltage

28

25E13

WASHER 5

29

81D4

NUT

30

HARNESS NLA - wiring - Was 6501074 - A

31

FUSE NLA - 35 amp. - Was 6516341 - A

32

HOLDER NLA - W/40 amp. fuse - Was 733642 - A

33

6515603

GROMMET

34

6553094

CABLE battery

35

6502904

NUT ignition switch

36

6519001

BREAKER circuit

Выбрано товаров: 37