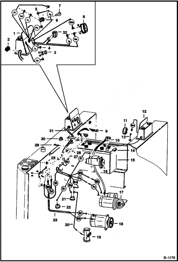
Запчасти Bobcat 400s MAIN FRAME ELECTRICAL CIRCUITRY M-500 Gasoline S/N 42806 & Below ELECTRICAL SYSTEM

Схема запчастей Bobcat 400s - MAIN FRAME ELECTRICAL CIRCUITRY M-500 Gasoline S/N 42806 & Below ELECTRICAL SYSTEM
FIT
1:1
100%

Артикул

Название

Примечание

Количество

1

PANEL See Illustration MAIN FRAME ATTACHING PARTS/ B21119 INSTRUMENT - LEFT

2

565049

GROMMET

3

6515427

LIGHT oil pressure

4

WIRE

5

WIRE

6

6515315

SWITCH ignition - Was 6501159 - A

7

6505412

KEY

7

6502904

NUT ignition switch

8

6512807

GAUGE ammeter

9

6553094

CABLE ground

10

667483

CABLE battery

11

6660109

HOURMETER Was 6551203 - A

12

PANEL See Illustration MAIN FRAME ATTACHING PARTS/ B21120 INSTRUMENT - RIGHT

13

WIRE ground

14

CLIP NLA - Was 6502236 - A

15

6669318

BATTERY Was 6669318 - A

15

6630154

CAP gang - Danger

15

6630155

CAP gang - Poison

15

6514898

CAP tilt-tite

16

MAGNETO See Illustration MAGNETO/ B1191

17

STARTER See Illustration STARTER/ B1188

18

GENERATOR See Illustration GENERATOR/ C1027 NLA

19

FUEL PUMP See Illustration ELECTRIC FUEL PUMP/ C1032 NLA - ELECTRICAL - WAS 6516343 - A

20

WIRE

21

1550963

SWITCH hour meter/fuel pump

22

6515752

SWITCH oil pressure

23

HARNESS NLA - wiring - Was 6501057 - A

24

664865

V REG voltage

25

25E13

WASHER 5

26

81D4

NUT

27

608869

FUSE 30 amp.

28

HOLDER NLA - W/40 amp. fuse - Was 733642 - A

29

6515196

STRAP lock

30

6515206

GROMMET

31

HARNESS NLA - wiring - Was 6501123 - A

32

6519001

BREAKER circuit

Выбрано товаров: 36