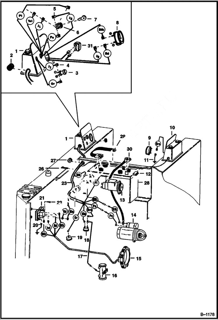
Запчасти Bobcat 400s MAIN FRAME ELECTRICAL CIRCUITRY M-500 Gasoline S/N 42807 & Above ELECTRICAL SYSTEM

Схема запчастей Bobcat 400s - MAIN FRAME ELECTRICAL CIRCUITRY M-500 Gasoline S/N 42807 & Above ELECTRICAL SYSTEM
FIT
1:1
100%

Артикул

Название

Примечание

Количество

1

PANEL See Illustration MAIN FRAME ATTACHING PARTS/ B21119 INSTRUMENT - LEFT

2

GROMMET NLA - Was 585950 - A

3

6515427

LIGHT oil pressure

4

WIRE

5

WIRE

6

6515315

SWITCH ignition - Was 6501159 - A

7

6505412

KEY

7

6502904

NUT ignition switch

8

6512807

GAUGE ammeter

9

6660109

HOURMETER Was 6551203 - A

10

PANEL See Illustration MAIN FRAME ATTACHING PARTS/ B21120 INSTRUMENT - RIGHT

11

WIRE

12

CLIP NLA - Was 6502236 - A

13

MAGNETO See Illustration MAGNETO/ B1191

14

STARTER See Illustration STARTER/ B21202

15

STATOR ASSY. See Illustration ALTERNATOR ASSEMBLY/ B21203

16

FUEL PUMP See Illustration ELECTRIC FUEL PUMP/ C1032 ELECTRICAL

17

WIRE

18

1550963

SWITCH hour meter

19

6515752

SWITCH oil pressure

20

WIRE

21

RECTIFIER See Illustration ALTERNATOR ASSEMBLY/ B21203 W/REGULATOR

22

SCREW NLA - machine - Was 86G001020B - A

23

HARNESS NLA - wiring - Was 6501123 - A

24

608869

FUSE

25

HOLDER NLA - W/40 amp. fuse - Was 733642 - A

26

6515196

STRAP

26

6610510

TIE Was 1715312B - A

27

6515206

GROMMET

28

6674687

BATTERY, DRY 600 AMP Was 6669318 - A

29

6553094

CABLE

30

667483

CABLE

31

6519001

BREAKER circuit

Выбрано товаров: 33