Запчасти Bobcat 400s ONAN ENGINE POWER UNIT

Схема запчастей Bobcat 400s - ONAN ENGINE POWER UNIT
FIT
1:1
100%

Артикул

Название

Примечание

Количество

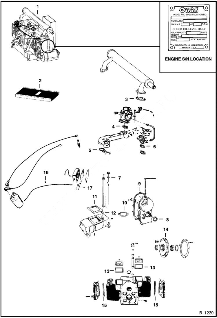
1

ENGINE NLA - gasoline, complete with fuel pump, starter, spark plugs & muffler. - Does not include air cleaner, oil filter & generator - Was 6515789 - A

1

ENGINE NLA - remanufactured - Was 6515789REM - A

2

6517616

GASKET KIT complete engine overhaul - W/Ref. 3 - 17

3

6517009

GASKET See Illustration ONAN ENGINE ATTACHING PARTS/ D1067

4

GASKET See Illustration FUEL SYSTEM & EXHAUST GROUP/ B1197 NLA - Was 858709 - A

5

6517247

GASKET See Illustration FUEL SYSTEM & EXHAUST GROUP/ B1197

6

GASKET See Illustration FUEL SYSTEM & EXHAUST GROUP/ B1197 NLA - Was 858770B - A

7

GASKET See Illustration GEAR COVER, OIL PUMP & BASE GROUP/ B1196 NSS

8

6517325

SEAL See Illustration GEAR COVER, OIL PUMP & BASE GROUP/ B1196

9

6645280

GASKET See Illustration GEAR COVER, OIL PUMP & BASE GROUP/ B1196

10

6517333

GASKET KIT See Illustration GEAR COVER, OIL PUMP & BASE GROUP/ B1196

11

GASKET See Illustration GEAR COVER, OIL PUMP & BASE GROUP/ B1196 NLA - Was 858709 - A

12

6517336

GASKET See Illustration GEAR COVER, OIL PUMP & BASE GROUP/ B1196

13

6517588

GASKET See Illustration CYLINDER BLOCK GROUP/ B1198

14

6517606

GASKET See Illustration CYLINDER BLOCK GROUP/ B1198

15

6645303

GASKET See Illustration CYLINDER BLOCK GROUP/ B1198

16

6517670

GROMMET See Illustration IGNITION GROUP/ B1203

16

858840

GROMMET See Illustration IGNITION GROUP/ B1203

17

GASKET See Illustration IGNITION GROUP/ B1203 NLA - Was 858839 - A

Выбрано товаров: 19