Запчасти Bobcat 400s GEAR COVER, OIL PUMP & BASE GROUP POWER UNIT

Схема запчастей Bobcat 400s - GEAR COVER, OIL PUMP & BASE GROUP POWER UNIT
FIT
1:1
100%

Артикул

Название

Примечание

Количество

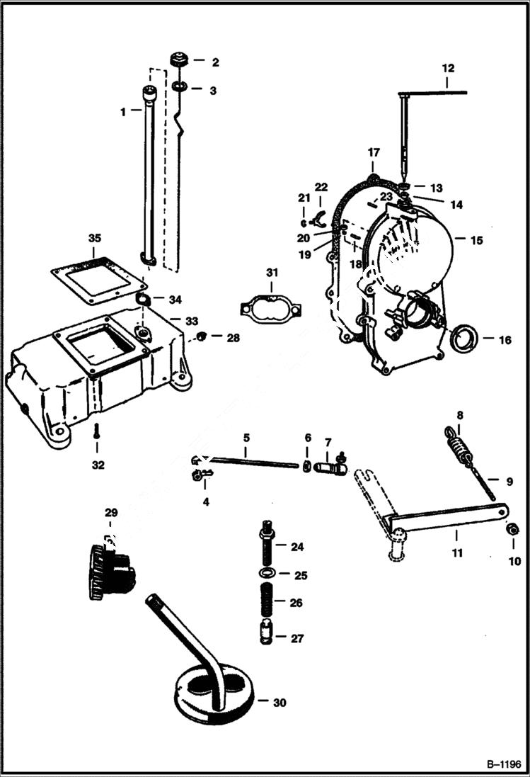
1

6517312

TUBE oil fill

2

6517313

DIPSTICK W/Ref. 3

3

GASKET NSS

4

CLIP NLA - link end - Was 624365 - A

5

6517315

LINK throttle - W/Spec.-674F-1013F

5

LINK NLA - Throttle - W/Spec. - 1060F & Above - Was 6517316 - A

6

NUT NLA - Was 6518087 - A

7

6517318

SWIVEL ball

8

6517319

SPRING governor

9

858816

STUD speed adjustment

10

14D10

NUT speed adjustment

11

EXTRUSION NLA - Governer Arm - Was 6517322 - A

12

6517323

SHAFT governor

13

858678

SEAL oil

14

BEARING NLA - needle - Was 858679 - A

15

COVER NLA - gear - W/Ref. 8 - 14, 16 & 18 - 20 - Was 6517324 - A

16

6517325

SEAL oil

17

6645280

GASKET Was 6517326 - A

18

876878

PIN,DOWEL

19

10J6

BALL bearing

20

858683

BEARING needle

21

SNAP RING NSS

22

6517328

YOKE governor - W/Ref. 21

23

6517329

DOWEL PIN

24

STUD NLA - W/Nut

25

6515468

WASHER copper

26

858831

SPRING

27

6517330

VALVE by-pass

28

40K12

PLUG pipe

29

6517331

PUMP oil

30

INTAKE NLA - Oil Pump - Was 6517332 - A

31

6517333

GASKET KIT oil pump

32

SCREW NLA - Cap - Was 6517334 - A

33

BASE NLA - oil - Was 6517335 - A

34

GASKET NLA - Was 858709 - A

35

6517336

GASKET oil base

Выбрано товаров: 36