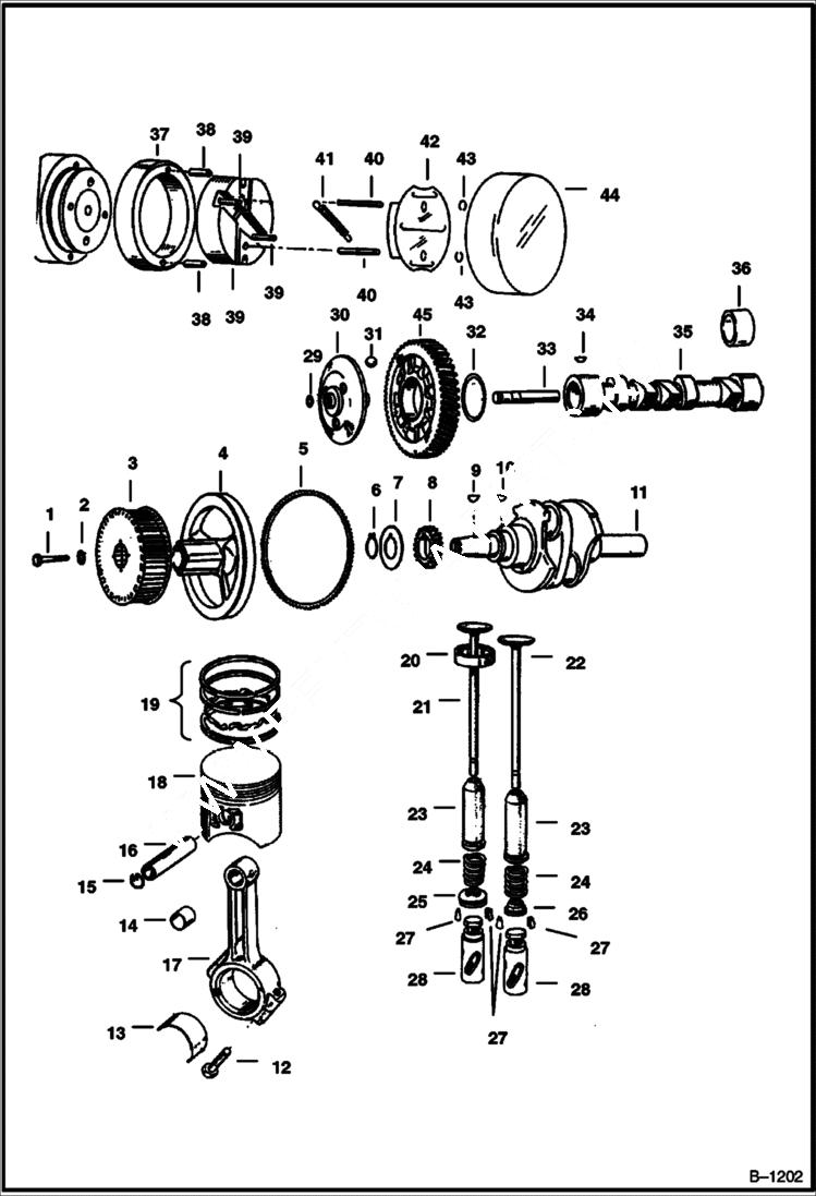
Запчасти Bobcat 400s INTERNAL ENGINE PARTS POWER UNIT

Схема запчастей Bobcat 400s - INTERNAL ENGINE PARTS POWER UNIT
FIT
1:1
100%

Артикул

Название

Примечание

Количество

1

6517337

SCREW

2

858730

WASHER

3

6517068

WHEEL blower

4

FLYWHEEL NLA - W/Ref. 5 - Was 6517354 - A

5

6517443

RING GEAR

6

659764

RING

7

6517457

WASHER

8

6513674

GEARS timing

9

6512824

KEY woodruff

10

858732

KEY woodruff

11

6517549

CRANKSHAFT

12

6517470

SCREW connecting rod - W/Ref. 17

13

6516747

BEARING Rod - Std.

13

6517539

BEARING Rod - .002'' (0,05mm)

13

6517540

BEARING Rod - .010'' (0,25mm)

13

6517541

BEARING Rod - .020'' (0,51mm) - 1/2 Bearing

13

6517542

BEARING Rod - .030'' (0,76mm)

14

6517543

BUSHING

15

6517544

RING

16

6517545

PIN piston - Std.

16

PIN NLA - piston - .002'' (0,05mm)

17

6517548

ROD connecting - W/Ref. 12 & 14

18

6517550

PISTON W/Ref. 15 & 16 - (Std.)

18

PISTON NLA - W/Ref. 15 & 16 - .005'' (0,13 mm) - Was 6517551 - A

18

6517552

PISTON W/Ref. 15 & 16 - .010'' (0,25 mm)

18

6517553

PISTON W/Ref. 15 & 16 - .020'' (0,51 mm)

18

6517554

PISTON W/Ref. 15 & 16 - .030'' (0,76 mm)

18

PISTON NLA - W/Ref. 15 & 16 - .040'' (1,02 mm) - Was 6517555 - A

19

6517556

RINGS One Piston - Std.

19

6518092

RINGS One Piston - .005'' (0,13mm)

19

6517557

RINGS One Piston - .010'' (0,25mm)

19

6517558

RINGS One Piston - .020'' (0,51mm)

19

6517559

RINGS One Piston - .030'' (0,76mm)

19

RINGS NLA - One Piston - .040'' (1,02mm) - Was 6517560 - A

20

6517561

SEAT exhaust - Std.

20

SEAT NLA - exhaust - .002'' (0,05mm)

20

6517563

SEAT exhaust - .005'' (0,13mm)

20

6517564

SEAT exhaust - .010'' (0,25mm)

20

6517565

SEAT exhaust - .025'' (6,35mm)

20

6517566

SEAT intake valve - Stellite

21

6517567

VALVE exhaust - Stellite

22

6517568

VALVE intake

23

6517569

GUIDE valve

24

6517570

SPRING valve

25

6517571

ROTOCAP exhaust valve

26

6517572

RETAINER

27

6517573

LOCK retainer

28

TAPPET NLA - valve - Was 858727 - A

29

858738

RING

30

CUP NLA - Governer - Was 6517574 - A

31

10J18

BALL

32

6645288

WASHER thrust - Was 858744B - A

33

PIN NLA

34

858732

KEY

35

6517576

CAMSHAFT W/Ref. 33

35

6517577

CAMSHAFT

36

6517578

BEARING camshaft - Front & Rear

37

CAM NLA - timing control - W/Ref. 38 - Was 6517579 - A

38

301923

ROLL PIN

39

6517580

WEIGHTS

40

6517581

PIN

41

6517582

SPRING

42

6517583

RETAINER

43

6517584

LOCK retainer

44

6517585

COVER

45

6513675

GEAR timing

Выбрано товаров: 66