Запчасти Bobcat 400s MAIN FRAME MAIN FRAME

Схема запчастей Bobcat 400s - MAIN FRAME MAIN FRAME
FIT
1:1
100%

Артикул

Название

Примечание

Количество

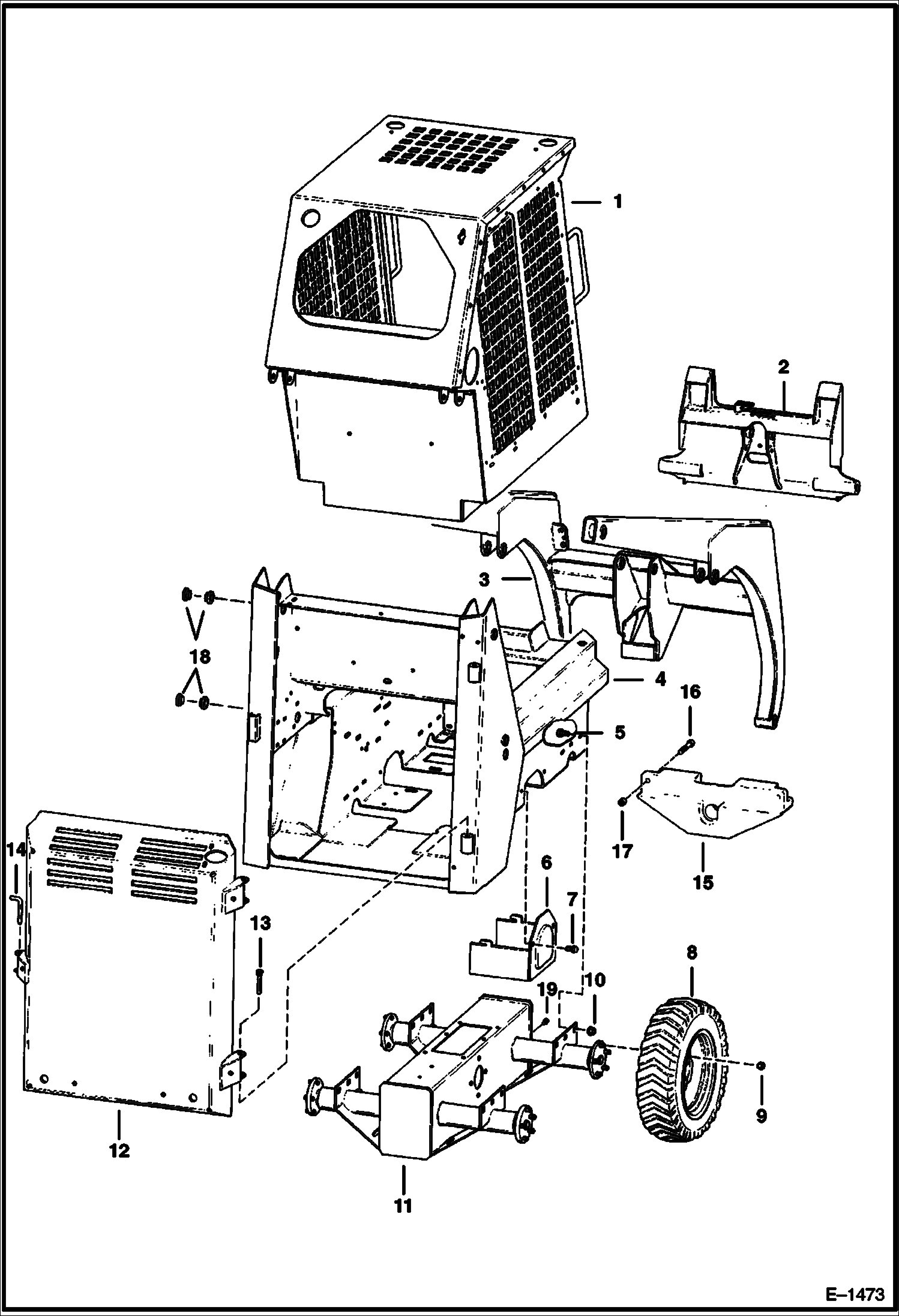
1

CAB See Illustration OPERATOR CAB/ B17871 SALES

2

BOB-TACH See Illustration BOB-TACH/ C2803 SALES

3

LIFT ARM See Illustration LIFT ARMS & BOB-TACH/ C2801

4

MAIN FRAME NLA - Order 6713926 And 2 Covers 6714137 - Relocation Of Fuel Filter Is Neccasary - Was 6708125 - A

4

6713926

MAIN FRAME May Need To Order Battery Pan 6715086 And 2 , 7C000624B

5

37C820

BOLT

6

6564185

COVER For 6708125 Main Frame

6

COVER See BTI327 NLA - For 6713926 Main Frame - Was 6714137 - A

6

6718144

COVER

7

84G3712

BOLT 5

8

TIRES & RIMS See Illustration TIRES & RIMS/ B17527

9

6561152

NUT

10

83D8

NUT 5

11

CHAINCASE See BTI344 NLA - Was 6706429 - A

12

REAR DOOR See Illustration REAR DOOR/ C2947

13

6564340

PIN

14

6564192

PIN

15

6564681

WEIGHT

16

17C828

BOLT

17

57D8

NUT 10

18

6563829

BUSHING Weld On

19

6731121

PLUG Was 11F000012B - A

Выбрано товаров: 22