Качественные детали и логистика
Оригинальные и аналоговые запчасти с доставкой по России, Казахстану и Беларуси
©2022 PartSell ООО "Система" ИНН 2463123282 ОГРН 1212400004838
Центральный офис: г. Красноярск, Академика Киренского, д.87, пом.4
Телефон: 8 (800) 777-65-74 Email: zakaz@partsell.ru
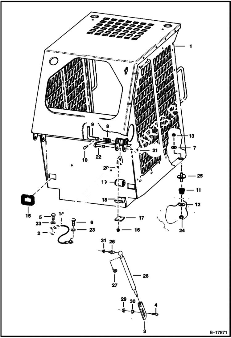
OPERATOR CAB
№
Артикул
Название
Примечание
Количество
1
6734641
CAB, ASSY Was 6708601 - A
2
61D5
NUT
3
6706092
END gas spring
4
25G616
SCREW
5
17C512
BOLT 5
6
84G3112
7
6553709
WASHER
8
6593390
SPRING
9
6593389
PIN
10
1306637
CLIP
11
6560633
DAMPENER rubber
12
6515817
13
59D8
NUT 5
14
6594283
WIRE
15
6555351
SEAL bulk - sold per foot
16
83D6
17
6565068
PLATE
18
6563997
RETAINER
19
6562602
BUSHING
20
6563998
U-BOLT
21
85D10
NUT, 5
22
17C1048
BOLT
23
25E15
24
83D8
25
6702971
26
6706519
STUD ball
27
6706520
RING retaining
28
6664206
GAS SPRING
29
95D6
NUT Was 91D000006B - A
30
6706272
31
83D5
Выбрано товаров: 0