Запчасти Bobcat 400s LIFT ARMS & BOB-TACH MAIN FRAME

Схема запчастей Bobcat 400s - LIFT ARMS & BOB-TACH MAIN FRAME
FIT
1:1
100%

Артикул

Название

Примечание

Количество

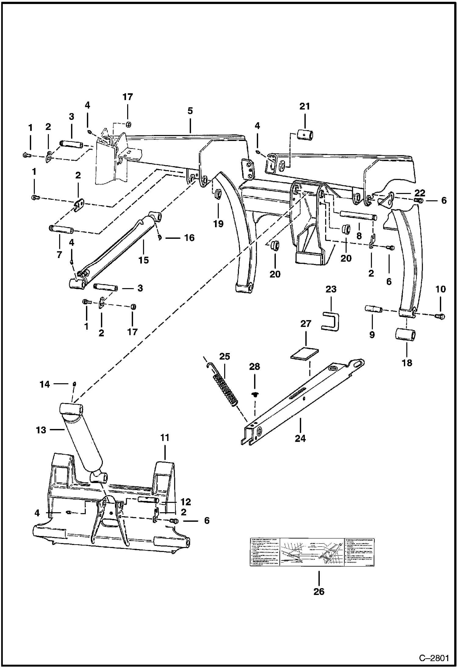
1

10C512

BOLT Was 6553808 - A

2

6586307

RETAINER Was 6563850 - A

3

6563848

PIN

4

10H25

FITTING, GREASE 5

5

6563844

LIFT ARM Also Order 6579528, 6569233, 6565257, 6565258

6

84G3712

BOLT 5

7

6563847

PIN

8

6563846

PIN

9

6564198

PIN, PIVOT TAPERED

10

17C828

BOLT

11

BOB-TACH See Illustration BOB-TACH/ C2803

12

6563845

PIN

13

CYLINDER See Illustration TILT CYLINDER/ C2808 TILT

14

10H35

FITTING, GREASE 10

15

CYLINDER See Illustration LIFT CYLINDER/ B6942 LIFT

16

11H25

FITTING10

17

83D5

NUT 5

18

6563832

BUSHING Weld On

18

6563832

BUSHING Painted Only

19

6563829

BUSHING Weld On

20

6563830

BUSHING Weld On

21

6563831

BUSHING Weld On

22

6706663

PIN

23

6714811

PIN Retainer - Was 6706660 - A

24

6728115

SUPPORT Lift arm - Was 6706667 - A

25

6579072

SPRING For lift arm support - Was 6700743 - A

26

6711659

DECAL Was 6706669 - A

27

6704436

PAD

28

6519178

BUMPER

Выбрано товаров: 0