Запчасти Bobcat 400s FUEL SYSTEM MAIN FRAME

Схема запчастей Bobcat 400s - FUEL SYSTEM MAIN FRAME
FIT
1:1
100%

Артикул

Название

Примечание

Количество

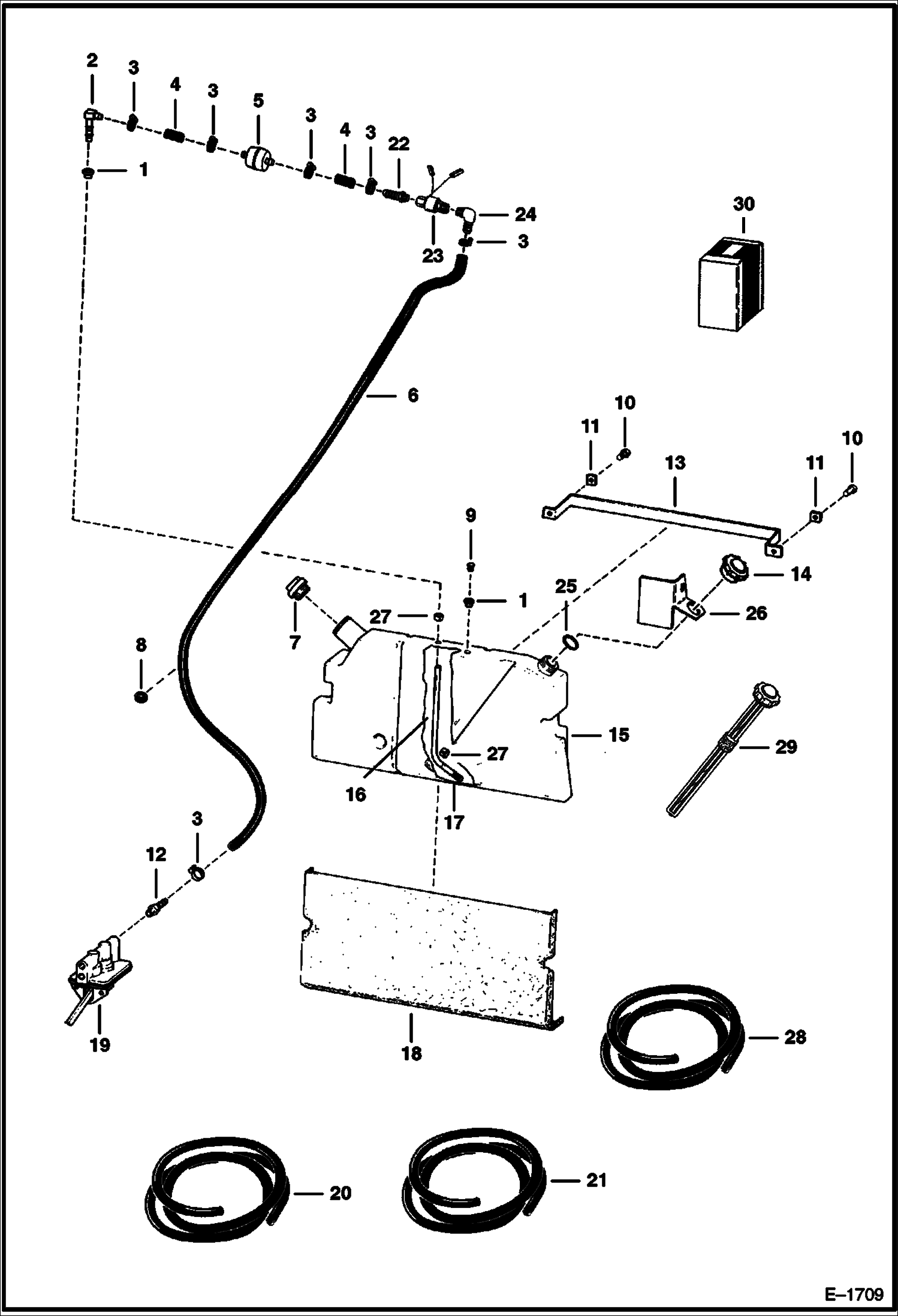
1

6553411

BUSHING 0.38'' ID

2

6598908

ELBOW

3

42HS04

CLAMP, HOSE Was 6515575 - A

4

HOSE NLA - 1-1/2'' (38,1 mm) - Order Ref. 20

5

6511393

FILTER

6

HOSE NLA - 45'' (1143 mm) - Order Ref. 20

7

6632468

CAP

7

6662770

CAP locking - Was 6661696 - A

7

6587458

KEY PK510

8

1023368

GROMMET

9

6599645

PLUG, STEEL

10

84G3716

SCREW 5

11

6559447

WASHER

12

6630064

ADAPTER

13

6564037

BAND

14

6635885

CAP

15

6733225

TANK Was 6708327 - A

16

HOSE NLA - 14.75'' (374.65 mm) long - Order Ref. 28

17

6650239

SCREEN, FUEL PICKUP

18

6564268

INSULATION

19

PUMP See Illustration FUEL SYSTEM/ B14063

20

6577821

HOSE bulk - sold per foot

21

TAPE NLA - heat reflective - bulk - Sold Per Foot - PURCHASE LOCALLY - Was 6630040 - A

22

6505813

CONNECTOR

23

7024822

SOLENOID, FUEL Was 6559117

24

6515156

CONNECTOR

25

25K60204

O RING 10

26

6564038

MOUNT

27

6661213

RING, COMPRESSION

28

6569752

HOSE BULK/FT bulk - sold per foot

29

6598910

GAUGE

Выбрано товаров: 31