Качественные детали и логистика
Оригинальные и аналоговые запчасти с доставкой по России, Казахстану и Беларуси
©2022 PartSell ООО "Система" ИНН 2463123282 ОГРН 1212400004838
Центральный офис: г. Красноярск, Академика Киренского, д.87, пом.4
Телефон: 8 (800) 777-65-74 Email: zakaz@partsell.ru
BRAKES
№
Артикул
Название
Примечание
Количество
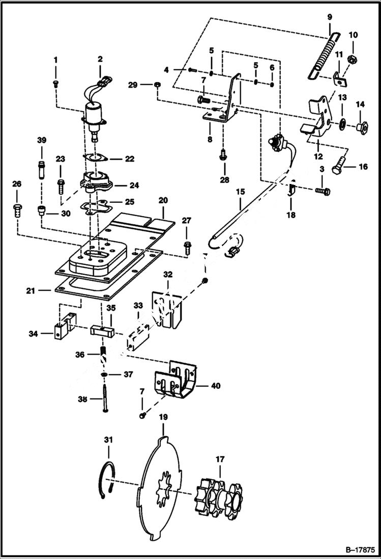
1
17C412
BOLT 5
2
6681512
SOLENOID Was 6667992 - A
3
84G3712
4
23G812
SCREW
5
25E8
WSHR
6
12D8
NUT
7
17C610
BOLT
8
6707313
PEDAL MOUNT
9
6585860
SPRING
10
95D6
NUT Was 91D000006B - A
11
6707315
ANGLE
12
6707314
PEDAL brake
13
6700170
WASHER plastic
14
6559479
15
6707337
SWITCH, LOCK TRACTION
16
17C620
17
SPROCKET See Illustration DRIVE TRAIN/ C2807
18
30H23
CLAMP
19
6706736
BRAKE disc
20
6706684
COVER
21
6593418
GASKET
22
6706737
23
84G3720
24
6706718
MOUNT
25
6708016
26
17C820
27
84G3716
SCREW 5
28
37C616
29
89D6
30
6553411
BUSHING
31
791442
SNAP RING
32
GUIDE NLA - disc brake - Order (1) of 6708787 - Was 6707812 - A
33
6705898
BLOCK guide - R.H.
34
6705897
BLOCK guide - L.H.
35
6705896
GUIDE
36
6708018
37
25E13
WASHER 5
38
6708267
39
6680970
BREATHER Was 6670627 - A
40
6708787
Выбрано товаров: 0