Запчасти Bobcat 400s ENGINE & ATTACHING PARTS POWER UNIT

Схема запчастей Bobcat 400s - ENGINE & ATTACHING PARTS POWER UNIT
FIT
1:1
100%

Артикул

Название

Примечание

Количество

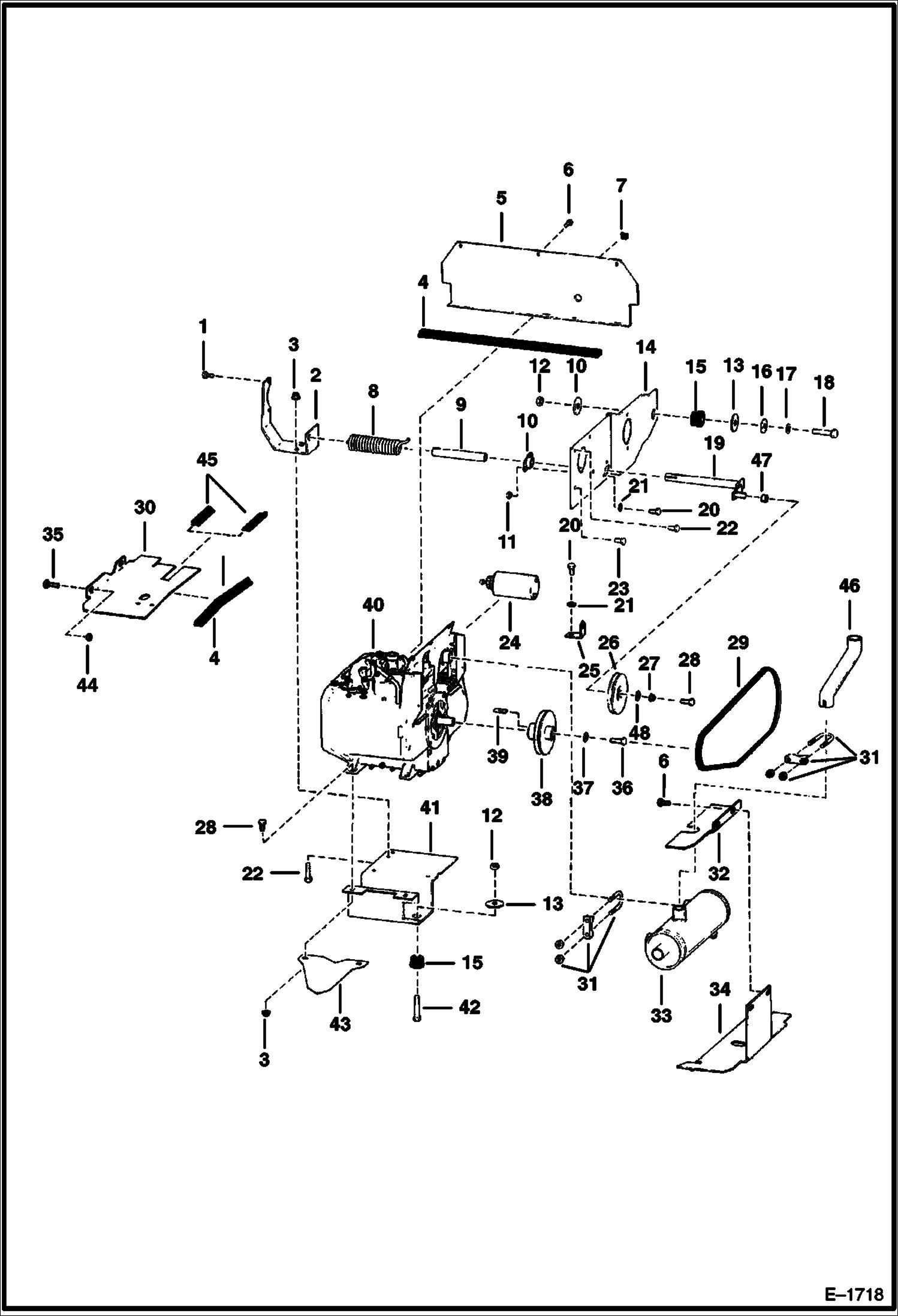
1

17C536

BOLT

2

6564260

MOUNT

3

57D6

NUT 5

4

4126590

MOULDING bulk - sold per foot

5

6564265

SHIELD

6

84G3112

BOLT 5

7

6599925

BUMPER

8

6678782

SPRING Was 6564892 - A

9

6564788

TUBE

10

6599468

BEARING

11

61D4

NUT 5

12

85D8

NUT, 5

13

6564692

WASHER

14

6565277

MOUNT

15

6560633

DAMPENER rubber

16

6565472

WASHER

17

25E21

WASHER 5

18

17C844

BOLT

19

BRACKET NLA - Use W/Ref. 26 (NLA/ 6564011 pulley) - Order 6532348 bracket, Ref. 26 (6689692 pulley), Ref. 27 & 47 - Was 6564010

19

6532348

BRACKET W/stud - Use W/Ref. 26 (6689692 pulley)

20

17C412

BOLT 5

21

25E13

WASHER 5

22

17C616

BOLT 5

23

17C716

BOLT

24

STARTER See Illustration STARTER/ B17885

25

6565509

BRACKET starter

26

PULLEY NLA - idler - Use W/Ref. 19 (NLA/ 6564010 bracket) - Order 6689692 pulley, Ref. 19 (6532348 bracket), Ref. 27 & 47 - Was 6564011 - A

26

6689692

PULLEY, IDLER Use W/Ref. 19 (6532348 bracket) - Was 6689645 - A

27

83D6

NUT 5 Use W/6532348

28

17C620

BOLT

29

6564100

BELT

30

SHIELD NLA - Was 6594250 - A

31

710706

CLAMP

32

6565747

SHIELD

33

6564668

MUFFLER spark arrestor

34

6594310

SHIELD

35

10C512

BOLT Was 6553808 - A

36

18C720

BOLT

37

25E20

WASHER

38

6563907

PULLEY

39

7J3112

KEY

40

ENGINE See Illustration ENGINE/ B17898

41

6564261

MOUNT

42

17C836

BOLT

43

6564314

TROUGH oil drain

44

61D5

NUT

45

6512686

MOULDING bulk - Sold Per Foot

46

6564571

EXHAUST PIPE

47

6532347

SPACER Use W/6532348 and 6564011

48

27E6

WASHER 5 Use W/ NLA 6564011

Выбрано товаров: 50