Запчасти Bobcat 400s ENGINE (Kohler M18QS) POWER UNIT

Схема запчастей Bobcat 400s - ENGINE (Kohler M18QS) POWER UNIT
FIT
1:1
100%

Артикул

Название

Примечание

Количество

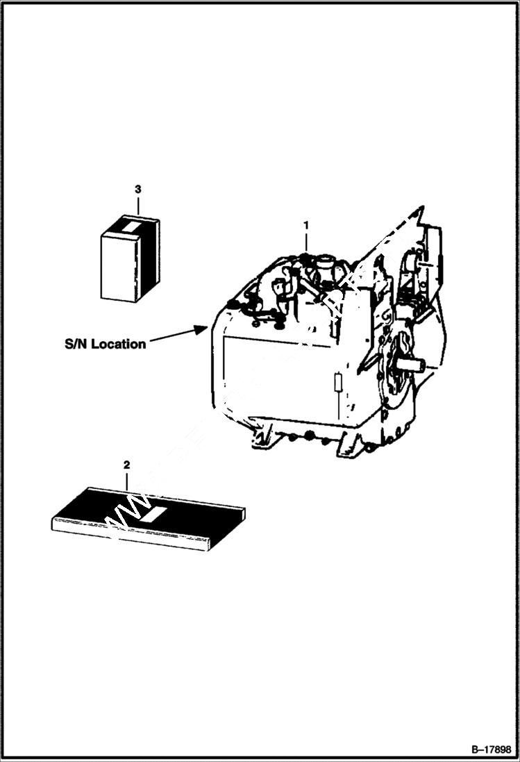
1

ENGINE, KOHLER M18QS NLA - W/Starter, flywheel, carburetor & fuel pump, With oil pump & oil filter - Was 6662970 - A

1

6662970REM

ENGINE, KOHLER M18QS

1

SHORT BLOCK NLA - W/crankshaft, camshaft, camshaft gear, piston, conn. rods oil pump, valves, main bearings & gasket kit - Was 6632527 - A

2

6632526

GASKET KIT Overhaul

3

6650684

KIT See Illustration ENGINE OIL FILTER KIT/ B14057 - oil filter

Выбрано товаров: 5