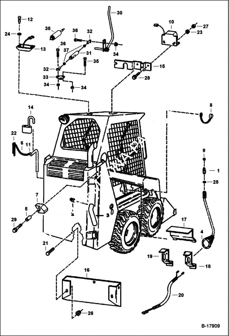
Запчасти Bobcat 400s EUROPEAN ACCESSORIES ACCESSORIES & OPTIONS

Схема запчастей Bobcat 400s - EUROPEAN ACCESSORIES ACCESSORIES & OPTIONS
FIT
1:1
100%

Артикул

Название

Примечание

Количество

1

6513482

SWITCH

2

42H32

HS CLAMP5 Was 6513595 - A

3

6520555

HOSE air intake

4

6532127

BOOT

5

6563612

BUSHING

6

6565227

CHAIN bulk - Sold Per Foot

7

6565526

STOP door

8

6652943

COVER grease fitting

9

6660205

SEAL

10

6660294

HORN

11

6661212

RING retainer

12

6664221

RETAINER

13

6680326

LIGHT Was 6664368 - A

14

6665400

PADLOCK

15

6704641

MOUNT horn

16

6707651

BRACKET storage

17

6708483

INSULATION

18

6708484

INSULATION

19

6708485

INSULATION

20

6708506

HARNESS horn

21

17C612

BOLT 5

22

1F612

COT.PIN

23

25E13

WASHER 5

24

25E14

WSHR

25

25E21

WASHER 5

26

55D6

NUT

27

59D4

NUT 5

28

84G2516

BOLT

29

84G3728

BOLT

30

6709408

LEVER for use with gas shocks

31

GAS SPRING NLA - Japan Option - Order Ref. 38 - Was 6649551 - A

32

6512954

ROD END R.H. threads

33

6709396

MOUNT shock

34

57D6

NUT 5

35

17C616

BOLT 5

36

17C620

BOLT

37

62D6

NUT 5

38

7188108

GAS SPRING

Выбрано товаров: 38