Запчасти Bobcat 400s CAB ENCLOSURE (Special Applications) ACCESSORIES & OPTIONS

Схема запчастей Bobcat 400s - CAB ENCLOSURE (Special Applications) ACCESSORIES & OPTIONS
FIT
1:1
100%

Артикул

Название

Примечание

Количество

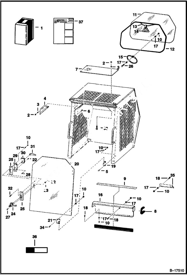
1

KIT SALES - cab enclosure - Ref. 2-37

2

85D6

NUT, 5

3

25E18

WASHER

4

6555434

CHANNEL

5

10C512

BOLT carriage - Was 6553808 - A

6

17C612

BOLT 5

7

6593243

WINDOW

8

6555351

SEAL bulk - sold per foot

9

6593245

TREAD safety

10

85D5

NUT 5

11

6593244

WINDOW

12

6665568

EXTRUSION bulk - sold per foot - Was 6658352 - B

13

6554149

CORD, BULK/FT bulk - sold per foot - Also Order Ref. 14 (6731478 exit tag)

14

6731478

EXIT TAG Was 6559515 - A

15

6555331

WIRE ROPE

16

6593242

SHIELD

17

25E15

WASHER

18

17C512

BOLT 5

19

6564831

HINGE

20

6532712

DOOR W/Decal

21

6564832

HINGE

22

12D10

NUT

23

25E10

WASHER

24

1550695

HANDLE outside - W/Key

25

6555054

PLATE

26

17C516

BOLT

27

75G1020

SCREW

28

45G1008

BOLT

29

6555059

BRACKET

30

6598475

DOOR LATCH

31

6515600

HANDLE

32

17C520

BOLT 5

33

17C616

BOLT 5

34

7C520

BOLT

35

6593246

BRACKET

36

6531482

DECAL

37

6566962

INSTRUCTIONS

Выбрано товаров: 37