Качественные детали и логистика
Оригинальные и аналоговые запчасти с доставкой по России, Казахстану и Беларуси
©2022 PartSell ООО "Система" ИНН 2463123282 ОГРН 1212400004838
Центральный офис: г. Красноярск, Академика Киренского, д.87, пом.4
Телефон: 8 (800) 777-65-74 Email: zakaz@partsell.ru
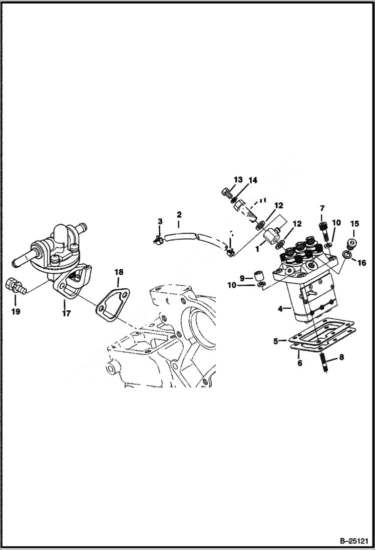
FUEL & INJECTION PUMP (Kubota D722-E2B-BC-1)
№
Артикул
Название
Примечание
Количество
1
6670436
FITTING
2
6598694
HOSE
3
6680274
CLAMP
4
6670432
PUMP, FUEL INJ
6670432REM
PUMP, FUEL INJ. KUBOTA D722
5
6672390
SHIM 0,20mm
6672391
SHIM 0,25mm
6
6670777
SHIM 0,30 mm
7
6670435
BOLT
8
6657458
STUD
9
6657461
NUT
10
6667419
WASHER
11
6670444
SCREW Was 6687665 - A
12
6657466
GASKET
13
6657445
SCREW
14
6657467
15
6672396
PLUG
16
6670446
17
6687727
PUMP
18
6670782
19
1CM616
SCREW Was 4CM616 - A
Выбрано товаров: 0