Качественные детали и логистика
Оригинальные и аналоговые запчасти с доставкой по России, Казахстану и Беларуси
©2022 PartSell ООО "Система" ИНН 2463123282 ОГРН 1212400004838
Центральный офис: г. Красноярск, Академика Киренского, д.87, пом.4
Телефон: 8 (800) 777-65-74 Email: zakaz@partsell.ru
EUROPEAN ACCESSORIES
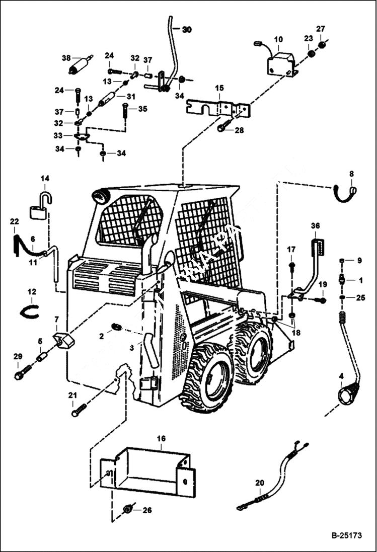
№
Артикул
Название
Примечание
Количество
1
6513482
SWITCH
2
42H32
HS CLAMP5
3
6520555
HOSE air intake
4
6532127
BOOT
5
6563612
BUSHING
6
CHAIN NLA - 8'' (203,2 mm) long - Order Ref. 12
7
6565526
STOP door
8
6652943
COVER grease fitting
9
6660205
SEAL Switch
10
6660294
HORN
11
6661212
RING retainer
12
6565227
CHAIN bulk - Sold Per Foot
13
62D6
NUT 5
14
6665400
PADLOCK
15
6704641
MOUNT horn
16
6732848
TOOL CONTAINER storage - Was 6714738 - B
17
35C512
BOLT Japan
18
85D5
NUT 5 Japan
19
35C516
BOLT 10 Japan
20
6708506
HARNESS horn
21
10C512
BOLT Was 17C000512B - B
22
1F612
COT.PIN
23
25E13
WASHER 5
24
17C620
BOLT
25
25E21
26
83D5
NUT 5 Was 55D000006B - B
27
59D4
28
84G2516
29
84G3728
30
6709408
LEVER for use with gas shocks
31
GAS SPRING NLA - Japan Option - Order Ref. 38 - Was 6649551 - A
32
6512954
ROD END R.H. threads
33
6709396
MOUNT shock
34
57D6
35
17C616
BOLT 5
36
6710526
MIRROR MT Japan
37
6708314
BUSHING, SPACER
38
7188108
GAS SPRING
Выбрано товаров: 0