Запчасти Bobcat 400s MAIN FRAME MAIN FRAME

Схема запчастей Bobcat 400s - MAIN FRAME MAIN FRAME
FIT
1:1
100%

Артикул

Название

Примечание

Количество

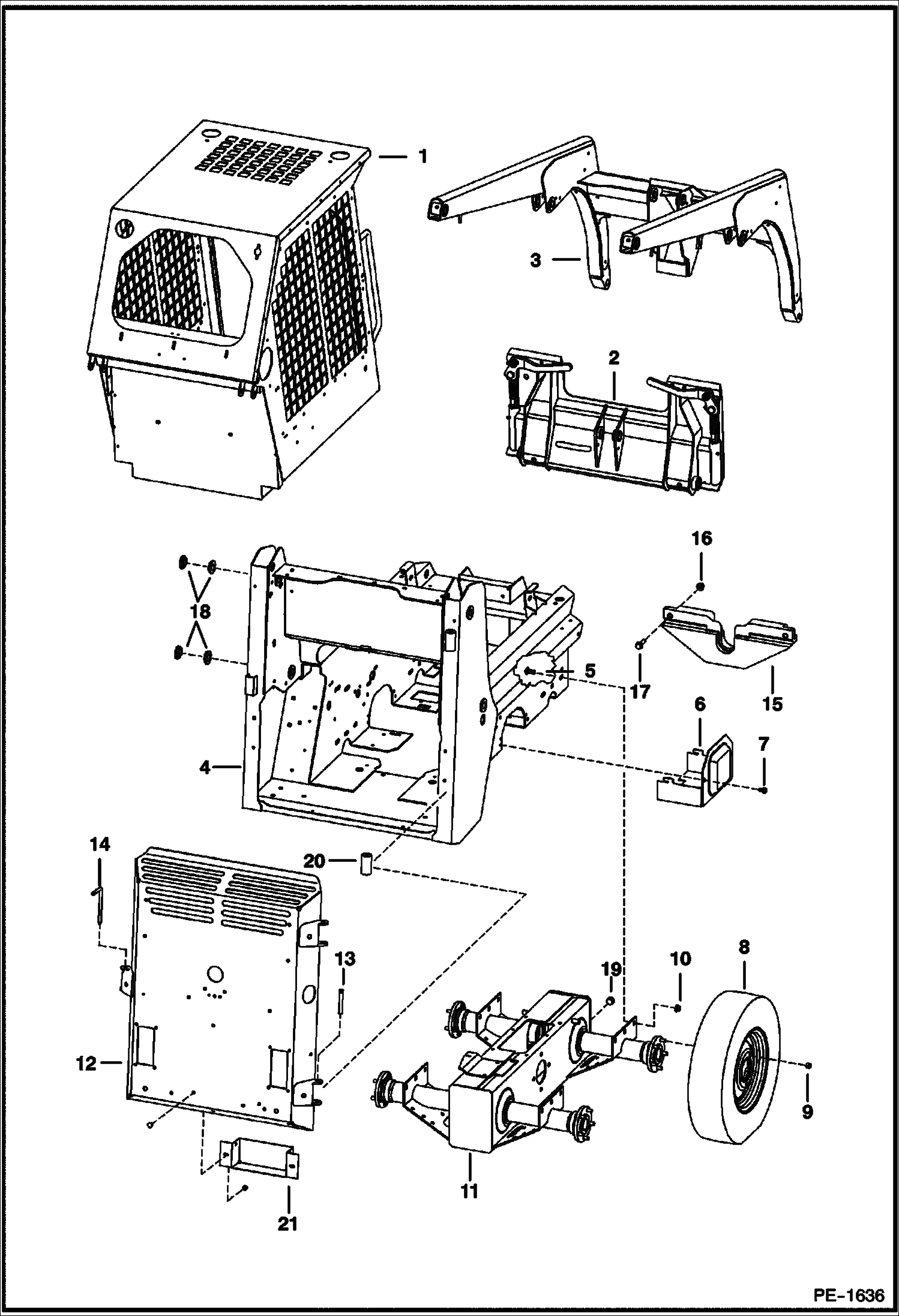
1

CAB See Illustration OPERATOR CAB/ PE1655

2

BOB-TACH See Illustration BOB-TACH/ PE1026

3

LIFT ARM See Illustration LIFT ARMS & BOB-TACH/ PE1245

4

6732198

MAINFRAME Was 6727836 - D

5

37C820

BOLT

6

6718144

COVER

7

84G3712

BOLT 5

8

TIRES & RIMS See Illustration TIRES & RIMS/ NA6121

9

6561152

NUT

10

83D8

NUT 5

11

CHAINCASE See BTI344 NLA - Was 6706429 - A

11

7115670

CHAINCASE Chaincase only - does not include motors, axles, chains or sprockets - Was 6733369 - A

12

REAR DOOR See Illustration REAR DOOR/ PE1637

13

6564340

PIN

14

7158146

PIN, LOCK includes 6564192 pin, cable & 1F612 cotter pin

14

6564192

PIN

14

1F612

COT.PIN

15

6564681

WEIGHT

16

57D8

NUT 10

17

31C832

BOLT Was 17C000828B - B

18

6563829

BUSHING Weld On

19

6731121

PLUG

20

6562224

BUSHING Weld On

21

6732848

TOOL CONTAINER

Выбрано товаров: 24