Качественные детали и логистика
Оригинальные и аналоговые запчасти с доставкой по России, Казахстану и Беларуси
©2022 PartSell ООО "Система" ИНН 2463123282 ОГРН 1212400004838
Центральный офис: г. Красноярск, Академика Киренского, д.87, пом.4
Телефон: 8 (800) 777-65-74 Email: zakaz@partsell.ru
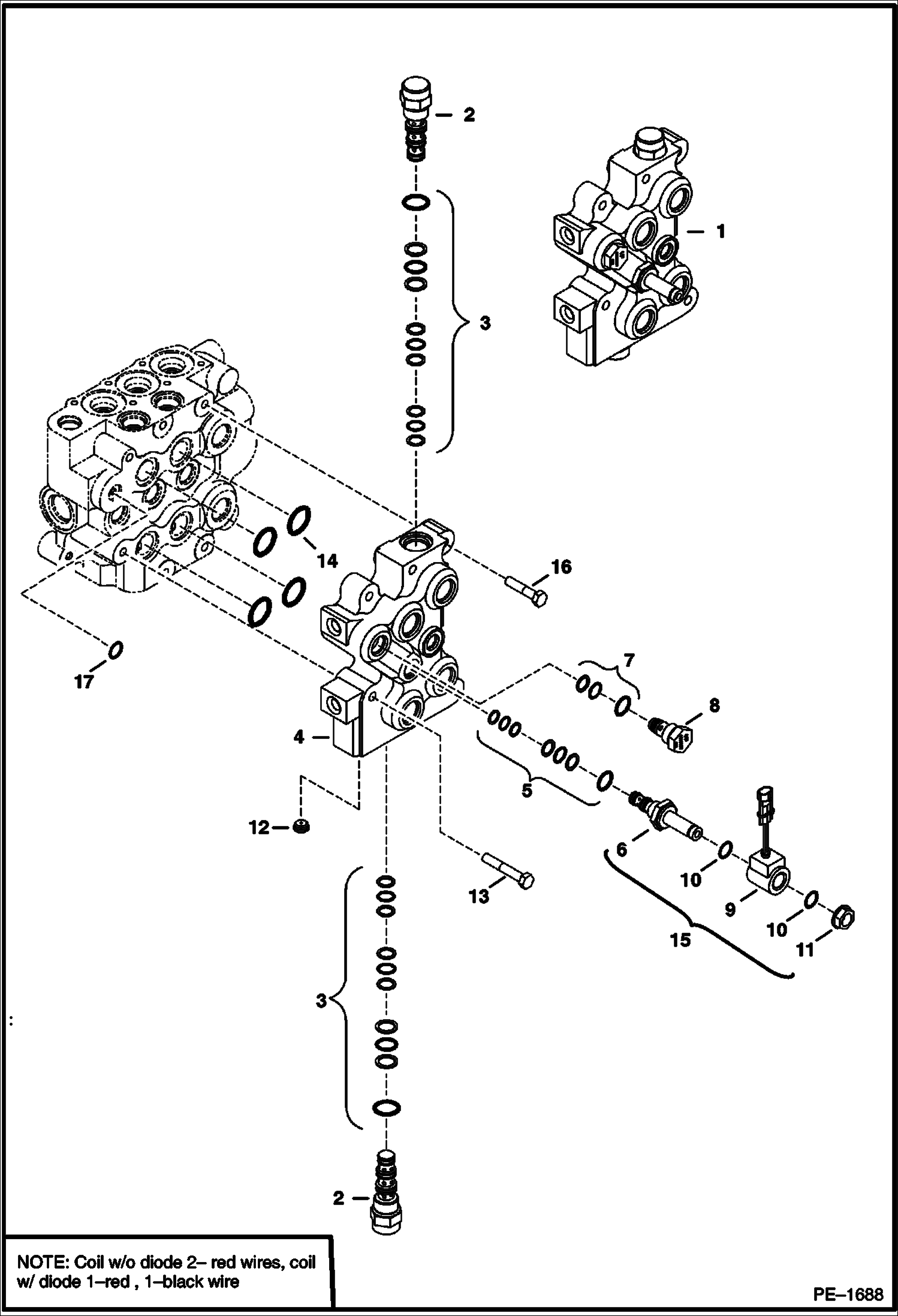
BICS VALVE
№
Артикул
Название
Примечание
Количество
1
6628571
VALVE ASSY Ref. 2-17
2
6689739
VALVE pilot operated - Was 6668765 - A
3
6669734
KIT, SEAL
4
BODY NSS
5
6669732
6
6667687
VALVE, STEM SOLENOID
7
6669733
SEAL KIT
8
6669057
CHECK VALVE filter
9
6671025
COIL w/diode
10
54K20028
O RING 10 pwm
11
6668820
NUT pwm
12
6668791
ORIFICE
13
43C532
BOLT
14
55K212
O RING 10
15
6672471
VALVE, SOLENOID Ref. 5, 6 & 9-11
16
43C524
17
55K204
Выбрано товаров: 0