Качественные детали и логистика
Оригинальные и аналоговые запчасти с доставкой по России, Казахстану и Беларуси
©2022 PartSell ООО "Система" ИНН 2463123282 ОГРН 1212400004838
Центральный офис: г. Красноярск, Академика Киренского, д.87, пом.4
Телефон: 8 (800) 777-65-74 Email: zakaz@partsell.ru
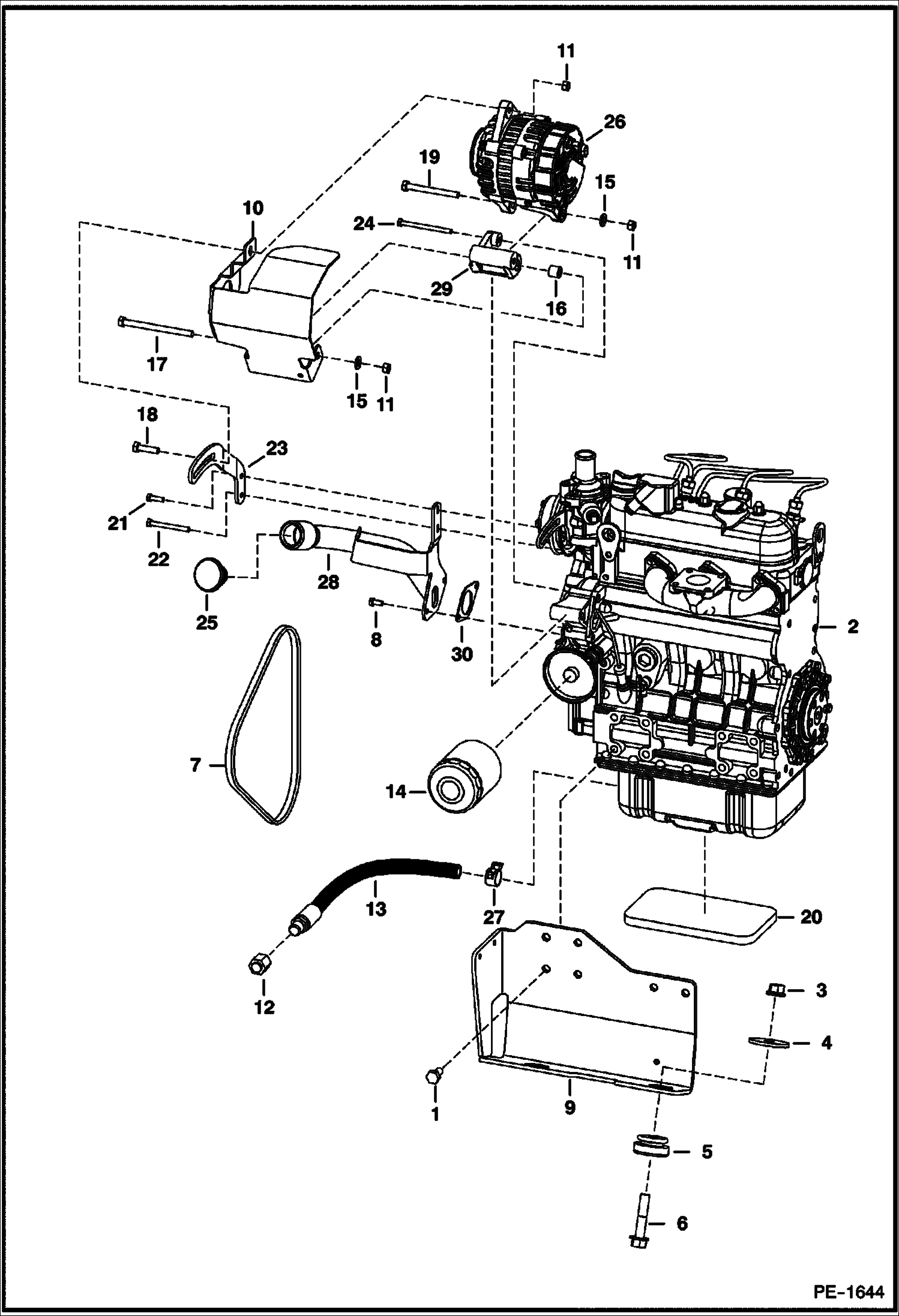
ENGINE & ATTACHING PARTS (Belt Drive, Alt.)
№
Артикул
Название
Примечание
Количество
1
6733378
SCREW
2
ENGINE See Illustration ENGINE/ B17086
3
83D8
NUT 5
4
6515817
WASHER Was 6564692 - B
5
6560633
DAMPENER Rubber
6
BOLT NLA - Order 31C832 bolt - Was 35C832 - A
7
6571857
BELT, ALT
8
1CM614
9
6730731
MOUNT
10
6733018
SHIELD belt
11
53DM8
NUT
12
36K6
CAP
13
6715530
HOSE
14
CARTRIDGE See Illustration GEAR CASE/ B25022 OIL FILTER
15
6557831
WASHER
16
6675838
BUSHING
17
1CM880
BOLT
18
4CM835
19
1CM8110
HEX CAP S
20
6733154
SPACER foam
21
1CM620
22
1CM660
23
6730867
BRACKET alt.
24
1CM665
25
6703736
26
ALTERNATOR See Illustration ALTERNATOR/ B20884
27
5HM20
CLAMP
28
6732960
OIL TUBE ASSY oil fill
29
6731765
30
6734475
GASKET OIL FILL oil fill
Выбрано товаров: 0