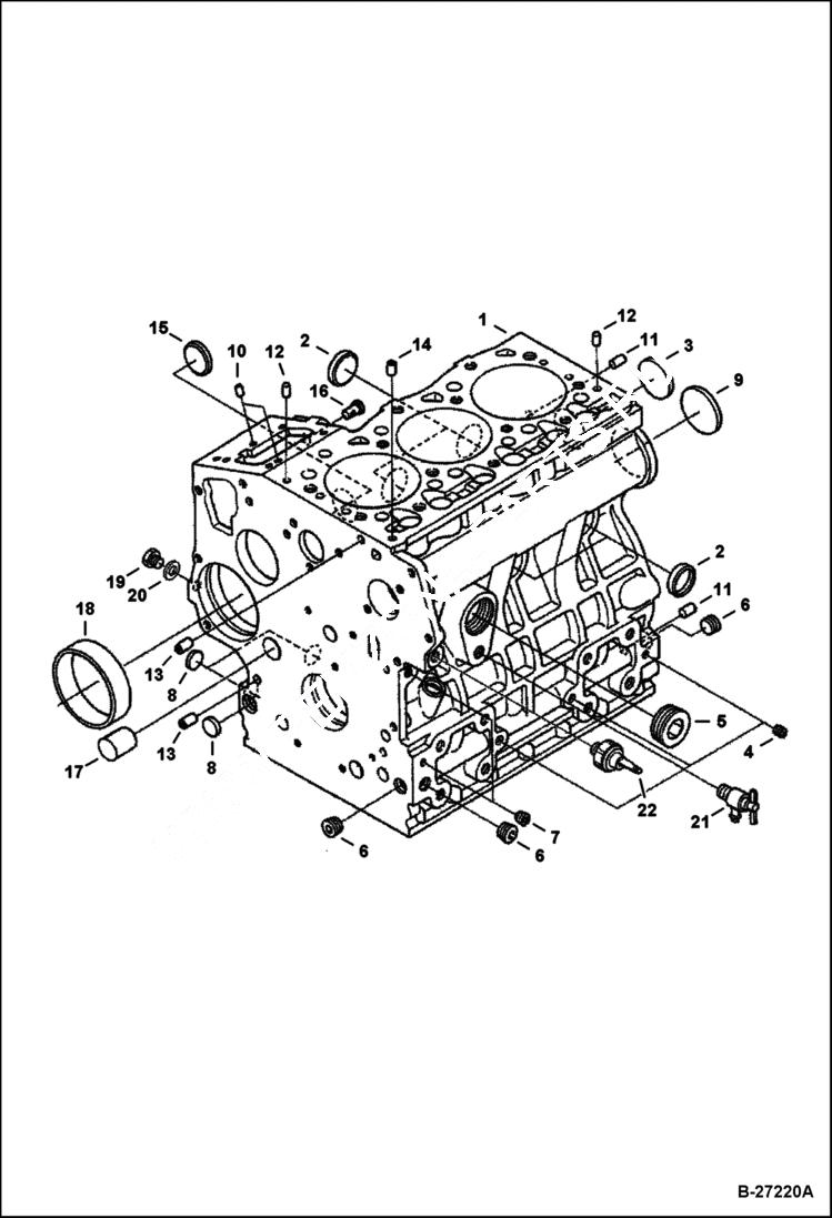
Запчасти Bobcat 400s CRANKCASE (Kubota D1005 Tier II) (S/N 538911001 & Above, 539011001 & Above) POWER UNIT

Схема запчастей Bobcat 400s - CRANKCASE (Kubota D1005 Tier II) (S/N 538911001 & Above, 539011001 & Above) POWER UNIT
FIT
1:1
100%

Артикул

Название

Примечание

Количество

1

6687901

CRANKCASE W/Ref. 2 -20

1

7000289

BLOCK, ENG W/Ref. 2 -20

2

6657431

CAP sealing

3

3974433

PLUG sealing

4

6598116

PLUG

5

6672354

PLUG

6

6657600

PLUG

7

6652574

PLUG

8

6667418

PLUG expansion

9

6657663

PLUG expansion

10

6657423

PIN

11

21JM814

PIN dowel

12

6680260

PIN

13

3974039

PIN

14

6657548

PIN

15

6657601

PLUG

16

6672355

PIN

17

6657675

PLUG

18

6657647

BUSHING

19

6655884

PLUG

20

3974095

MET-GASK

21

6657456

DRAINCOCK

22

6969775

SWITCH, OIL PRESSURE Was 6652576 - A

Выбрано товаров: 23